EasyManua.ls Logo

Eaton Cooper Power CL-6 Series - Page 117

Eaton Cooper Power CL-6 Series
128 pages
To Next Page IconTo Next Page
To Next Page IconTo Next Page
To Previous Page IconTo Previous Page
To Previous Page IconTo Previous Page
Loading...
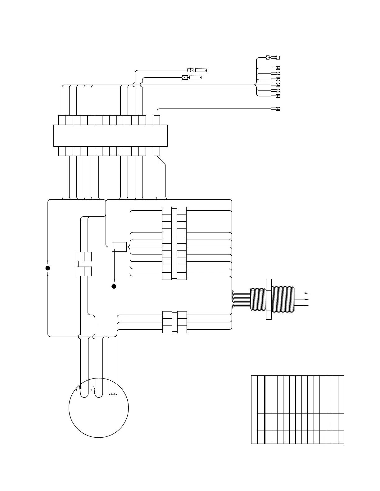
Figure 10-1. Junction box wiring diagram.
TO CONTROL BOX
RAISE LIMIT
SWITCH (RLS)
SOLENOID (RS)
P. I. RESET
SWITCH (LLS)
LOWER LIMIT
POSITION INDICATOR
2
1
21
21
JUNCTION BOX TERMINAL BOARD [JBB]
LLS-1 (GRN/BLK)
RLS-1 (BLU)
RS-1 (ORG/BLK)
A (RED/BLK)
A (ORG)
A (LT BLU/BLK)
A (BLK/WHT)
A (RED)
A (BLK)
CC (RED/BLK)
CC (ORG)
CC (LT BLU/BLK)
CC (BLK/WHT)
CC (RED)
CC (BLK)
D (GRN/BLK)
D (BLU)
B (RED/BLK)
B (ORG)
B (LT BLU/BLK)
B (BLK/WHT)
B (BLK)
B (WHT/BLK)
CT-C1 (RED)
CT-C2 (GRN)
CC (WHT)
STUD
D (GRN/BLK)
D (BLU)
C (GRN/BLK)
C (BLU)
C (ORG/BLK)
J/B 3/8" STUD (WHT)
RECEPTACLE [A]
MOLEX 12-PIN
1
2
3
4
5
6
7
8
9
10
12
11
1
2
3
4
5
6
7
8
RECEPTACLE [B]
MOLEX 10-PIN
1
2
3
4
5
6
7
8
PLUG [B]
MOLEX 10-PIN
CIRCUIT [CT]
CT PROTECTION
CC (GRN/BLK)
CC (ORG/BLK)
CC (BLU)
1
2
3
RECEPTACLE [C]
MOLEX 3-PIN
1
2
3
PLUG [C]
MOLEX 3-PIN
1
2
RECEPTACLE [D]
MOLEX 2-PIN
1
2
PLUG [D]
MOLEX 2-PIN
LLS-2 (GRN/BLK)
RLS-2 (BLU)
A (BLU)
A (GRN/BLK)
STUD
1
2
3
4
5
6
7
8
9
10
11
(BLK)
(BLK/WHT)
(LT BLU/BLK)
(ORN)
(RED/BLK)
(WHT)
(BLK)
(GRN/BLK)
(BLU)
POS-3 (BLK/WHT)
GROUND (WHT)
POS-9 (BLU)
POS-10 (GRN/BLK)
POS-4 (LT BLU/BLK)
POS-6 (RED/BLK)
POS-5 (ORG)
CABLE ASSY [CC]
12-CONNECTION
RECEPTACLE-INTERNAL
MOLEX 12-PIN
1
2
C
C
POS-8 (WHT)
POS-7 (BLK)
POS-2 (BLK)
J/B 3/8" STUD (WHT)
RS-2 (WHT) JBB STUD (WHT)
3/8" MTG STUD
JUNC/BOX
E
POS
C
HS
R1
V6
NL
L1
DHR
MC-1
COLOR CHART
COLOR
GREEN
ORANGE
BLUE
WHITE/BLACK
RED/BLACK
GREEN/BLACK
ORANGE/BLACK
LT BLUE/BLACK
MC-2
BLACK/WHITE
V1
GND
C
BLACK
WHITE
RED
NUM
4
5
6
7
8
9
10
11
12
1
2
3
9
10
9
10
CC (WHT/BLK)
CC (GRN)
A (WHT/BLK)
A (GRN)
CT (WHT)
3/8" MTG STUD
JUNC/BOX
GRD
GREEN/YELLOW
15
12
111
CL-6 SERIES CONTROL INSTALLATION, OPERATION, AND MAINTENANCE INSTRUCTIONS MN225016EN January 2016

Table of Contents

Related product manuals