EasyManua.ls Logo

Eaton Cooper Power CL-6 Series - Page 118

Eaton Cooper Power CL-6 Series
128 pages
To Next Page IconTo Next Page
To Next Page IconTo Next Page
To Previous Page IconTo Previous Page
To Previous Page IconTo Previous Page
Loading...
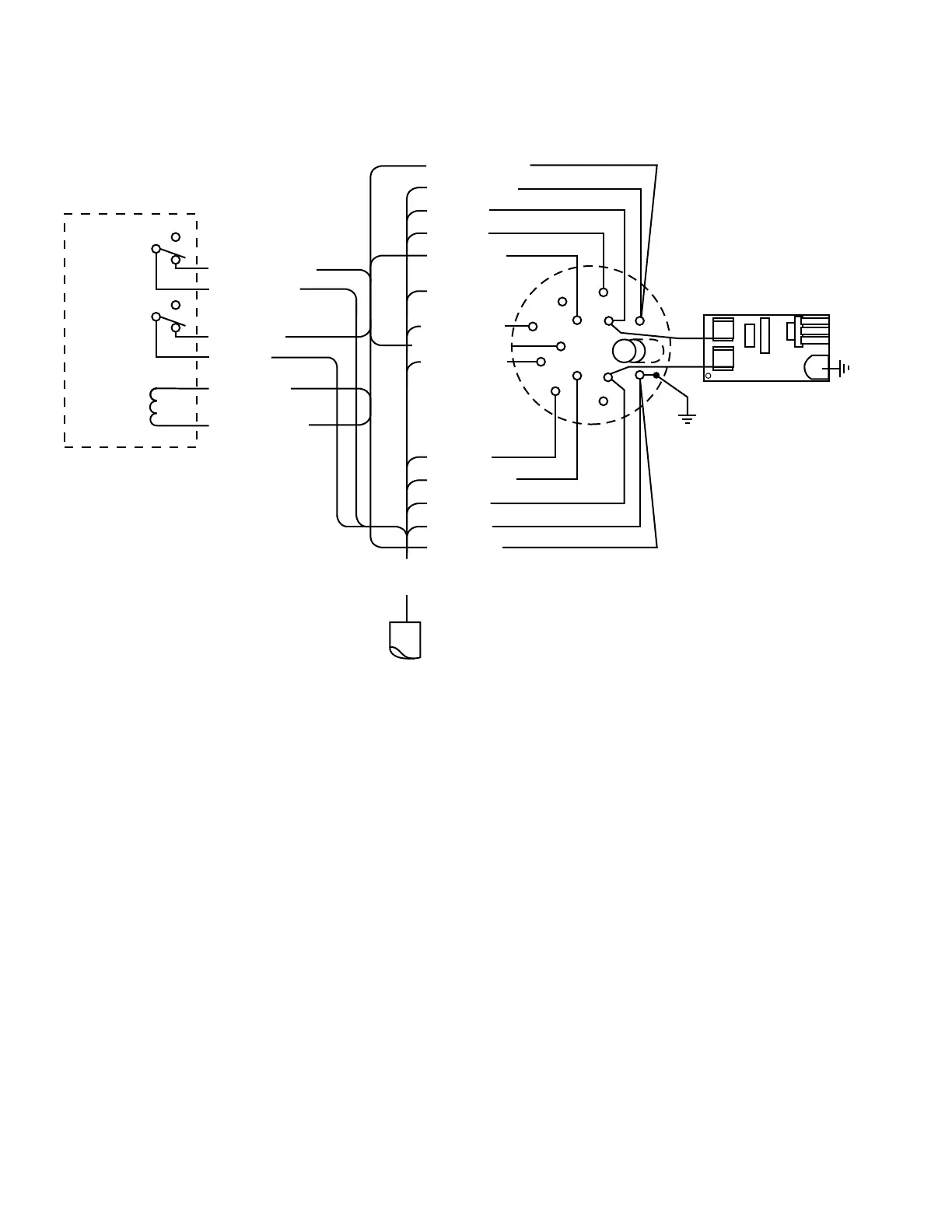
Figure 10-2. Legacy junction box wiring diagram.
Position
Indicator
Reset
Solenoid
(RS)
Raise Limit
Switch (RLS)
Lower Limit
Switch (LLS)
JBB-L (GRN/BLK)
21
21
CC (GRN/BLK)
JBB-R (BLU)
CC (BLU)
JBB-G (WHT)
JBB-DHR (ORG)
CC (WHT/BLK)
RLS-2 (BLU)
Junction Box
Terminal Board
(JBB)
CC (BLK)
CC (RED)
CC (ORG/BLK)
RS-1 (ORG/BLK)
LLS-2 (GRN/BLK)
CC (ORG)
CC (RED/BLK)
CC (GRN)
CC (WHT)
RS-2 (WHT)
12-Conductor
Cable (CC)
To Control
Position Indicator
S
2
S
4
R
L
HS
NL
M
2
C
2
G
C
1
DHR
TB
1
TB
2
CT Protection
Circuit
Ground
Stud
Ground
Stud
S6
S7
CC (BLU/BLK)
CC (BLK/WHT)
(RED)
(GRN)
112
CL-6 SERIES CONTROL INSTALLATION, OPERATION, AND MAINTENANCE INSTRUCTIONS MN225016EN January 2016

Table of Contents

Related product manuals