EasyManua.ls Logo

Eaton Cooper Power CL-6 Series - Page 120

Eaton Cooper Power CL-6 Series
128 pages
To Next Page IconTo Next Page
To Next Page IconTo Next Page
To Previous Page IconTo Previous Page
To Previous Page IconTo Previous Page
Loading...
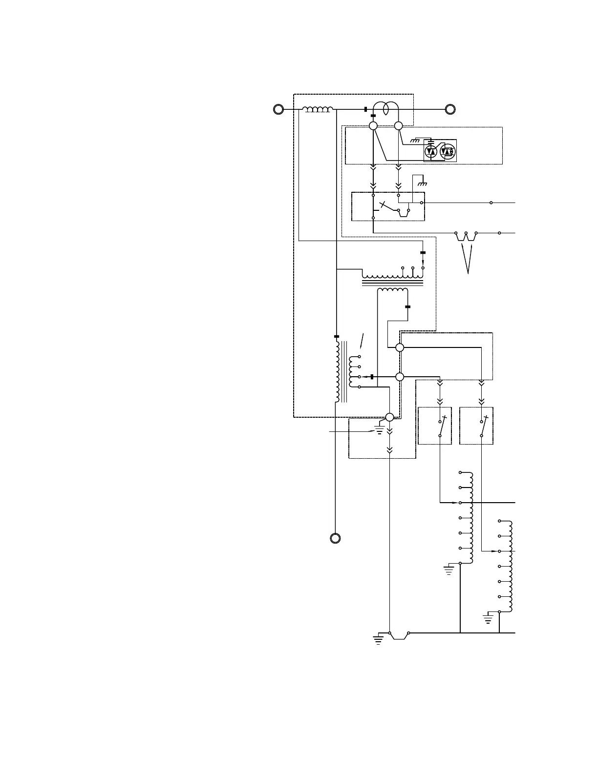
Figure 10-3. Wiring diagram for Type B VR-32 Regulator and CL-6 control with differential potential transformer.
WINDING
CONTROL
SOURCE
BUSHING
LOAD
RCT1
EST
WINDING
SHUNT
SOURCE
BUSHING
SERIES
WINDING
MF
BUSHING
LOAD
VTT
SENSE
COUPLER
CURRENT
COUPLER
ENABLE
AUTO
TRIACS
CIRCUIT
BOARD
CL6
ACCESSORIES
JUMPER
REMOVABLE
FOR
COUPLER
SWITCH
SUPERVISORY
SENSE
NEUTRAL
LAMP
COUPLER
CT
INPUT
COUPLER
V-IN/DIFF
INPUT
COUPLER
(LOAD)
COUPLER
INPUT
MOTOR
PS
INPUT
POWER
PANEL
SCP
V-OUT
TAPPED
DPT
RCT2
PROVISION
JUMPER FOR
REMOVABLE
BLOCKING RELAY
TCB-G
LLS
JBB-NL
RLS
JBB-R
NO
HSRHSL
NO C
T3
T1
C
T2
1
JBB-L
1
2
MC
2
NCNO
NLS
C
1
2
JBB-HS
2
IRS
1
JBB-DHR
JBB-G (NOTE 4)
JB
JBB-S6
JBB-S7
C
RSSLSS
NC
NC
C
C
RLSLLS
NC
NC
C
MR
CC
CC
(NOTE 2)
(NOTE 3)
CC
PIN I
CC
PIN F
CC
PIN E
CC
PIN J
CC
PIN H
PIN L
PIN N
4
1
V1
4
1
V6
CC
PIN A
CC
PIN G
TB1-V6TB1-V1
JBB-G
CC
PIN B
(NOTE 4)
INTERNAL
REMOVABLE
GROUND
JB
2
3
C
CC
PIN C
CC
PIN D
7
5
6
TB1-C
1
GIB
CT
PROTECTION
CIRCUIT
REMOVABLE
JUMPERS
FOR
ACCESSORIES
JB
GIB
CT
GIB
GIB
(NOTE 5)
TAPS
LOCATED
ON TCB
UNDER OIL
SL
127
120
110
104
115
133
TB2-V7
WHT
BLK
E
1
G
2
E
3
E
S
JBB-C2
JBB-S2
TB1-C3
6 AMP
J4-3
JBB-C1
L
J4-4
TB2-DHR
TB1-L1
WHT
RED
TB2-NLTB2-BR
J4-5
TB2-V9
J4-8
TB2-R3
TB2-L3
LOWER
AUTO
OFF
MANUAL
J4-15
RAISE
OFF
OFF
J4-9
TB2-HS
J4-6
RAISESOURCELOWER
HAND
RESET
DRAG
TB1-V4
TB1-V5
TB2-VM
OFF
ON
SUPERVISORY
TB2-G
TB2-6
TB2-5
TB2-7
TB2-8
GRN
J4-13
J4-2
J4-17
J4-10
J4-1
J4-16
SOURCE
SOURCE
EXTERNAL
INTERNAL
J4-11
126 3
J4-12
J4-14
5
4
OFF
2 11
1 10
TB2-VS
COM
TB1-R1
1
P
2
P
3
P
4
P
2
X
1
X
JBB-S4
TB1-G
127
120
110
104
115
133
COM
TB1-VS
TB8-4
TB8-5
TB8-1
TB8-3
TB1-HS TB1-DHR TB1-NL
J4-7
TB1-C1
TB1-C4
TB1-C4
TB1-C2
TB1-G
TB2-VS
C CT Shorting Switch
CC Control Cable
CT Current transformer (Toroidal Coil)
DPT Differential Potential Transformer
DHR Drag-Hand Reset
EST External Source Terminals
GIB Ground Integrated into Terminal Board
HSL Holding Switch Lower
IRS Indicator Reset Solenoid
(Position Indicator)
JB Junction Box on the
Regulator Cover
JBB Junction Box Terminal
Board on the Cover
LLS Lower Limit Switch (Position Indicator)
LLS Lower Logic Switch (Tap-Changer)
LSS Lower Safety Switch
MC Motor Capacitor
MF Motor Fuse
MR Motor Resistor
NL Neutral Light
NLS Neutral Light Switch
PS Power Switch
RCT Ratio Correction Transformer
RLS Raise Limit Switch (Position Indicator)
RLS Raise Logic Switch (Tap-Changer)
RSS Raise Safety Switch
SCP Short Circuit Protection
TB Control Terminal Board
TCB Tap-Changer Terminal Board
V1 PT Voltage Interrupt Switch
V6 DPT Voltage Interrupt Switch
VM Motor Voltage
VS Sensing Voltage
VTT Voltage Test Terminals
NOTE: Portion of schematic shown in dotted
enclosures is located in regulator tank.
114
CL-6 SERIES CONTROL INSTALLATION, OPERATION, AND MAINTENANCE INSTRUCTIONS MN225016EN January 2016

Table of Contents

Related product manuals