EasyManua.ls Logo

Eaton Cooper Power CL-6 Series - Page 121

Eaton Cooper Power CL-6 Series
128 pages
To Next Page IconTo Next Page
To Next Page IconTo Next Page
To Previous Page IconTo Previous Page
To Previous Page IconTo Previous Page
Loading...
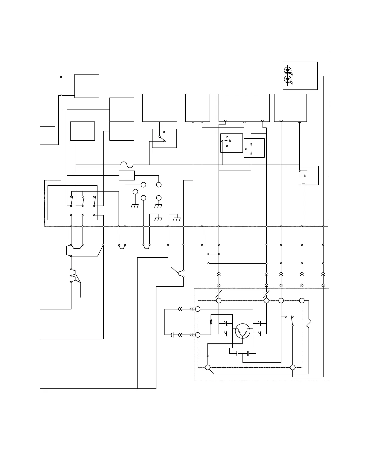
WINDING
CONTROL
SOURCE
BUSHING
LOAD
RCT1
EST
WINDING
SHUNT
SOURCE
BUSHING
SERIES
WINDING
MF
BUSHING
LOAD
VTT
SENSE
COUPLER
CURRENT
COUPLER
ENABLE
AUTO
TRIACS
CIRCUIT
BOARD
CL6
ACCESSORIES
JUMPER
REMOVABLE
FOR
COUPLER
SWITCH
SUPERVISORY
SENSE
NEUTRAL
LAMP
COUPLER
CT
INPUT
COUPLER
V-IN/DIFF
INPUT
COUPLER
(LOAD)
COUPLER
INPUT
MOTOR
PS
INPUT
POWER
PANEL
SCP
V-OUT
TAPPED
DPT
RCT2
PROVISION
JUMPER FOR
REMOVABLE
BLOCKING RELAY
TCB-G
LLS
JBB-NL
RLS
JBB-R
NO
HSRHSL
NO C
T3
T1
C
T2
1
JBB-L
1
2
MC
2
NCNO
NLS
C
1
2
JBB-HS
2
IRS
1
JBB-DHR
JBB-G (NOTE 4)
JB
JBB-S6
JBB-S7
C
RSSLSS
NC
NC
C
C
RLSLLS
NC
NC
C
MR
CC
CC
(NOTE 2)
(NOTE 3)
CC
PIN I
CC
PIN F
CC
PIN E
CC
PIN J
CC
PIN H
PIN L
PIN N
4
1
V1
4
1
V6
CC
PIN A
CC
PIN G
TB1-V6TB1-V1
JBB-G
CC
PIN B
(NOTE 4)
INTERNAL
REMOVABLE
GROUND
JB
2
3
C
CC
PIN C
CC
PIN D
7
5
6
TB1-C
1
GIB
CT
PROTECTION
CIRCUIT
REMOVABLE
JUMPERS
FOR
ACCESSORIES
JB
GIB
CT
GIB
GIB
(NOTE 5)
TAPS
LOCATED
ON TCB
UNDER OIL
SL
127
120
110
104
115
133
TB2-V7
WHT
BLK
E
1
G
2
E
3
E
S
JBB-C2
JBB-S2
TB1-C3
6 AMP
J4-3
JBB-C1
L
J4-4
TB2-DHR
TB1-L1
WHT
RED
TB2-NLTB2-BR
J4-5
TB2-V9
J4-8
TB2-R3
TB2-L3
LOWER
AUTO
OFF
MANUAL
J4-15
RAISE
OFF
OFF
J4-9
TB2-HS
J4-6
RAISESOURCELOWER
HAND
RESET
DRAG
TB1-V4
TB1-V5
TB2-VM
OFF
ON
SUPERVISORY
TB2-G
TB2-6
TB2-5
TB2-7
TB2-8
GRN
J4-13
J4-2
J4-17
J4-10
J4-1
J4-16
SOURCE
SOURCE
EXTERNAL
INTERNAL
J4-11
126 3
J4-12
J4-14
5
4
OFF
2 11
1 10
TB2-VS
COM
TB1-R1
1
P
2
P
3
P
4
P
2
X
1
X
JBB-S4
TB1-G
127
120
110
104
115
133
COM
TB1-VS
TB8-4
TB8-5
TB8-1
TB8-3
TB1-HS TB1-DHR TB1-NL
J4-7
TB1-C1
TB1-C4
TB1-C4
TB1-C2
TB1-G
TB2-VS
115
CL-6 SERIES CONTROL INSTALLATION, OPERATION, AND MAINTENANCE INSTRUCTIONS MN225016EN January 2016

Table of Contents

Related product manuals