EasyManua.ls Logo

EBARA A70W - Page 24

EBARA A70W
69 pages
Print Icon
To Next Page IconTo Next Page
To Next Page IconTo Next Page
To Previous Page IconTo Previous Page
To Previous Page IconTo Previous Page
Loading...
(10)
EBARA Corporation
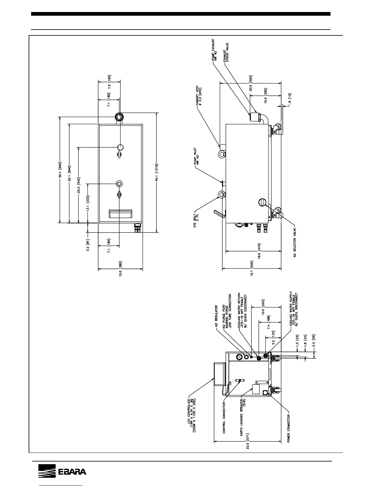
Outline Drawing A10S

Related product manuals