EasyManua.ls Logo

ebm-papst A4E450-BA09-01 - Technical Data; Product Drawing

ebm-papst A4E450-BA09-01
12 pages
Print Icon
To Next Page IconTo Next Page
To Next Page IconTo Next Page
To Previous Page IconTo Previous Page
To Previous Page IconTo Previous Page
Loading...
Operating instructions
A4E450-BA09-01
Translation of the original operating instructions
3. TECHNICAL DATA
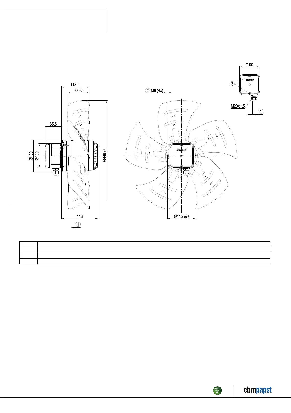
3.1 Product drawing
All dimensions in mm.
1 Direction of air flow "V"
2 Max. clearance for screw 12 mm
3 Tightening torque 1.5 ± 0.2 Nm
4 Cable diameter min. 6 mm, max. 12 mm, tightening torque 2 ± 0.3 Nm
Item no. 13461-5-9970 · ENU · Change 205900 · Approved 2020-03-10 · Page 4 / 12
ebm-papst Mulfingen GmbH & Co. KG · Bachmühle 2 · D-74673 Mulfingen · Phone +49 (0) 7938 81-0 · Fax +49 (0) 7938 81-110 · info1@de.ebmpapst.com · www.ebmpapst.com

Related product manuals