EasyManua.ls Logo

Ecoer EAHAEC-60 - 6.3 Re-Installation

Default Icon
157 pages
Print Icon
To Next Page IconTo Next Page
To Next Page IconTo Next Page
To Previous Page IconTo Previous Page
To Previous Page IconTo Previous Page
Loading...
63/157
SDi Decades Extreme Service Manual www.ecoer.com
May. 2023Manufacturer reserves the right to change specifications or designs without notice.
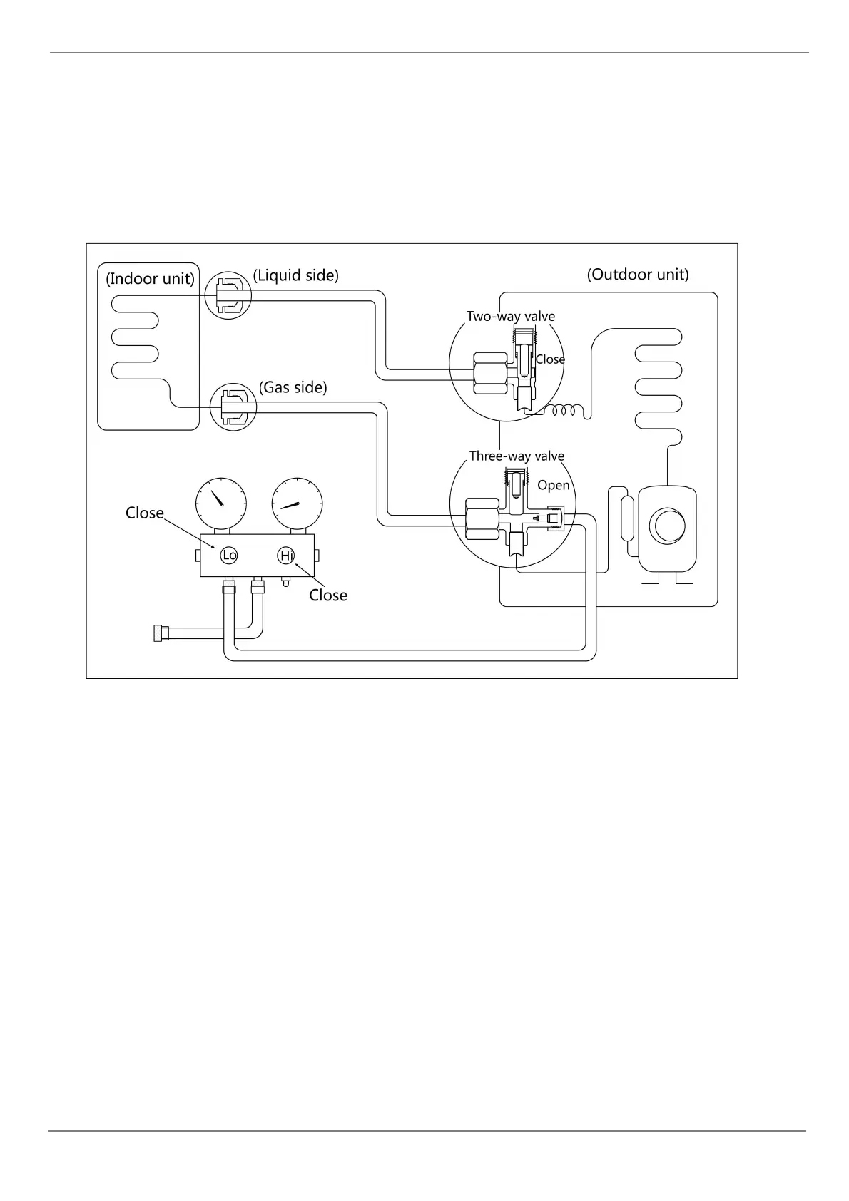
6.3.1 Indoor Unit
Collecting the refrigerant into the outdoor unit
Procedure:
1. Confirm that the 2- and 3-way valves are opened.
2. Connect the charge hose with the push pin of Handle Lo to the 3-way valve’s gas service port.
3. Open the Handle Lo manifold valve to purge air from the charge hose for 5 seconds and then close it quickly.
4. Close the 2-way valve.
5. Operate the air conditioner in cooling mode. Cease operations when the gauge reaches 0.1 MPa (14.5 Psi).
6. Close the 3-way valve so that the gauge rests between 0.3 MPa (43.5 Psi) and 0.5 MPa (72.5 Psi).
7. Disconnect the charge set and mount the caps of service port and 2- and 3-way valves.
8. Use a torque wrench to tighten the caps to a torque of 18 N.m.
9. Check for gas leakage.
6.3 Re-Installation

Related product manuals