EasyManua.ls Logo

Ecoer EAHAEC-60 - Page 64

Default Icon
157 pages
Print Icon
To Next Page IconTo Next Page
To Next Page IconTo Next Page
To Previous Page IconTo Previous Page
To Previous Page IconTo Previous Page
Loading...
64/157
SDi Decades Extreme Service Manual www.ecoer.com
May. 2023Manufacturer reserves the right to change specifications or designs without notice.
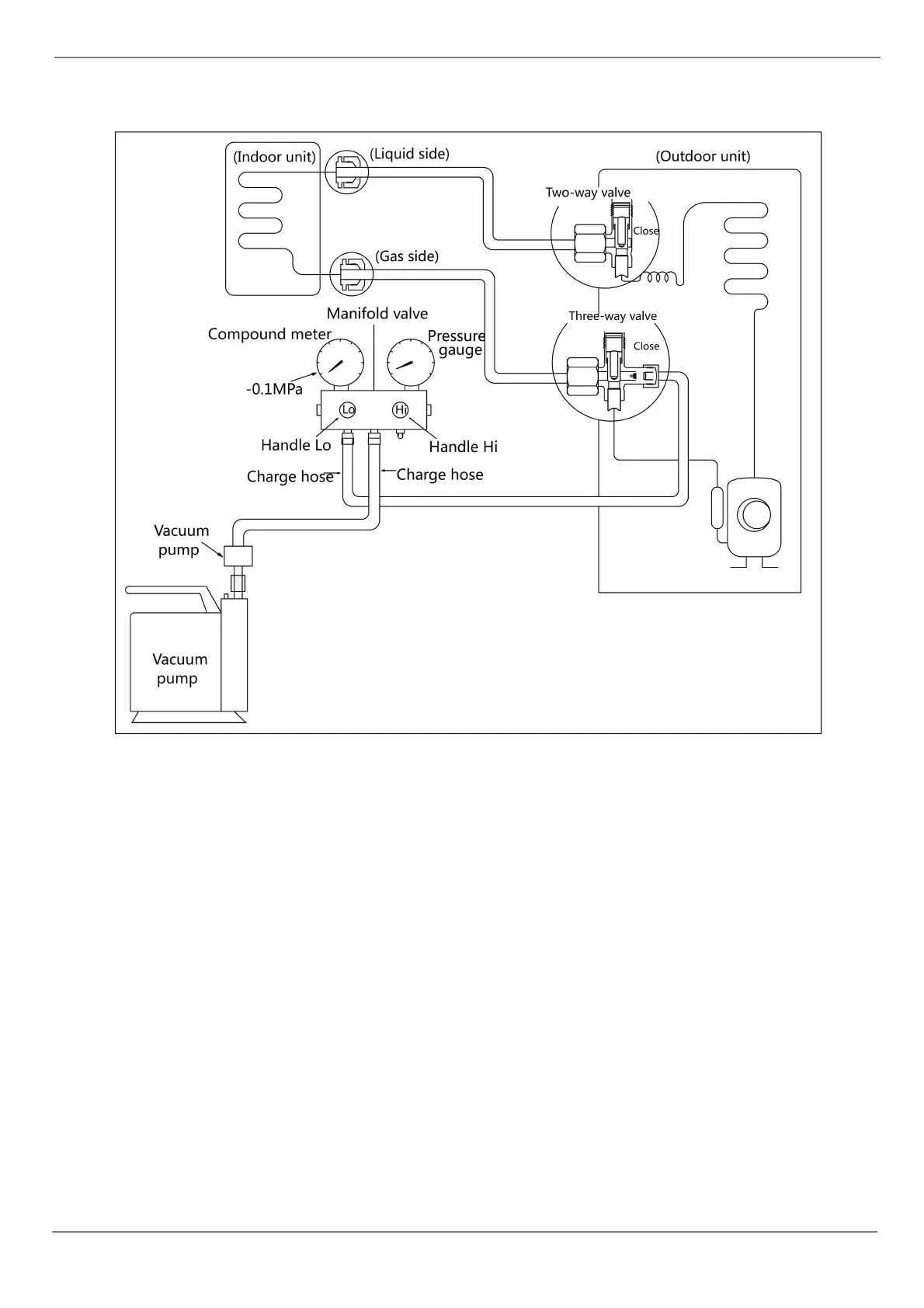
Air purging with vacuum pump
Procedure:
1. Tighten the flare nuts of the indoor and outdoor units, and confirm that both the 2- and 3-way valves are
closed.
2. Connect the charge hose with the push pin of Handle Lo to the gas service port of the 3-way valve.
3. Connect another charge hose to the vacuum pump.
4. Fully open the Handle Lo manifold valve.
5. Using the vacuum pump, evacuate the system for 30 minutes.
a. Check whether the compound meter indicates -0.1 MPa (-14.5 Psi).
If the meter does not indicate -0.1 MPa (-14.5 Psi) after 30 minutes, continue evacuating for an
additional 20 minutes.
If the pressure does not achieve -0.1 MPa (-14.5 Psi) after 50 minutes, check for leakage.
If the pressure successfully reaches -0.1 MPa (-14.5 Psi), fully close the Handle Lo valve, then cease
vacuum pump operations.
b. Wait for 5 minutes then check whether the gauge needle moves after turning off the vacuum pump. If
the gauge needle moves backward, check wether there is gas leakage.
6. Loosen the flare nut of the 3-way valve for 6 or 7 seconds and then tighten the flare nut again.
a. Confirm the pressure display in the pressure indicator is slightly higher than the atmospheric pressure.
b. Remove the charge hose from the 3-way valve.
7. Fully open the 2- and 3-way valves and tighten the cap of the 2- and 3-way valves.

Related product manuals