EasyManua.ls Logo

EemaX EX120 T - Page 10

EemaX EX120 T
11 pages
Print Icon
To Next Page IconTo Next Page
To Next Page IconTo Next Page
To Previous Page IconTo Previous Page
To Previous Page IconTo Previous Page
Loading...
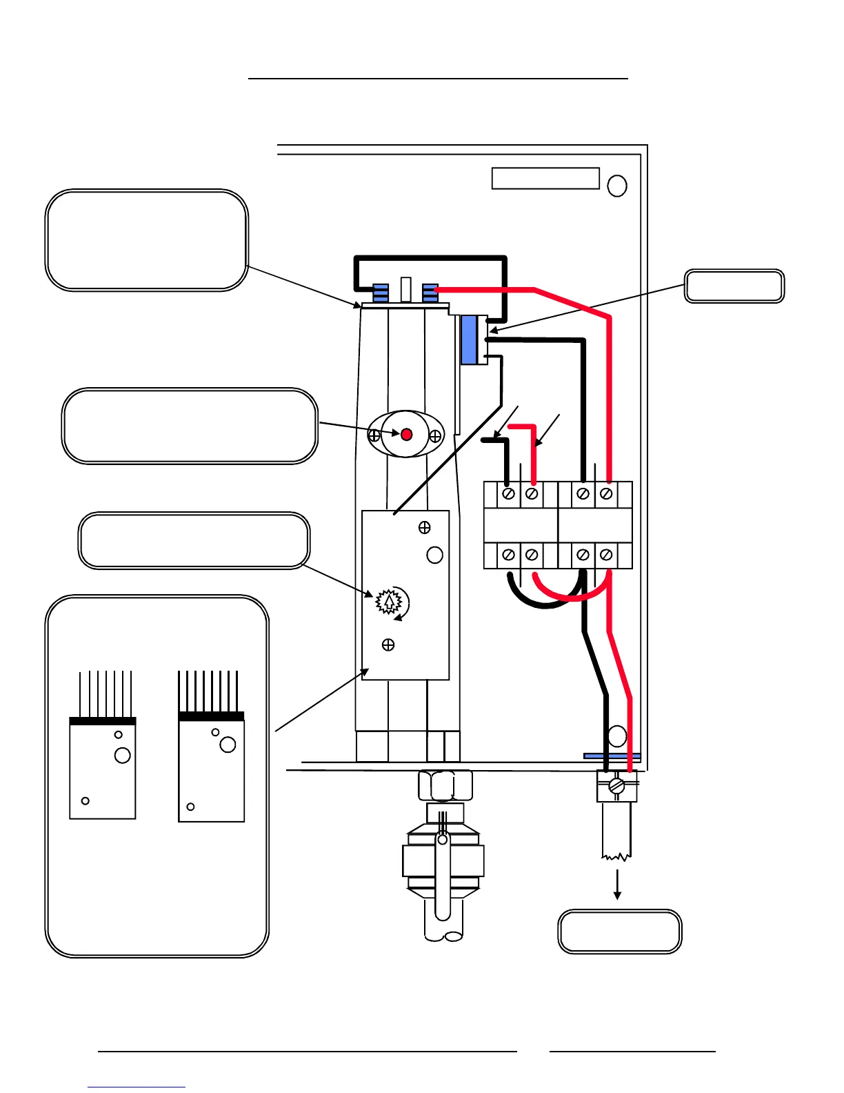
Inlet isolating valve-
ball valve. (Always leave fully
open when unit is in service.)
REPLACEMENT HEATER
CORE ASSEMBLY
EX1000 5.75KW @240V
EEMAX REPLACEMENT PARTS DIAGRAM
7 - Wire
EX 100G
8 - Wire
EX 284
EemaX, inc., 353 Christian St., Oxford, CT 06478 Tel: (203) 267-7890
To appropriate
circuit breaker
10
Triac - EX 18
EEMAX REPLACEMENT PARTS DIAGRAM
CONTROL BOARDS
serial #
ECO (High Limit Thermostat)
Push to Reset
L1 L2
Temperature Adjustment Knob
L1 L2
To 2
nd
module

Related product manuals