EasyManua.ls Logo

EFF EFF 519 - The Electrical Connection; Direct Connection Lock; Lock to UII Control Device

Default Icon
Print Icon
To Next Page IconTo Next Page
To Next Page IconTo Next Page
To Previous Page IconTo Previous Page
To Previous Page IconTo Previous Page
Loading...
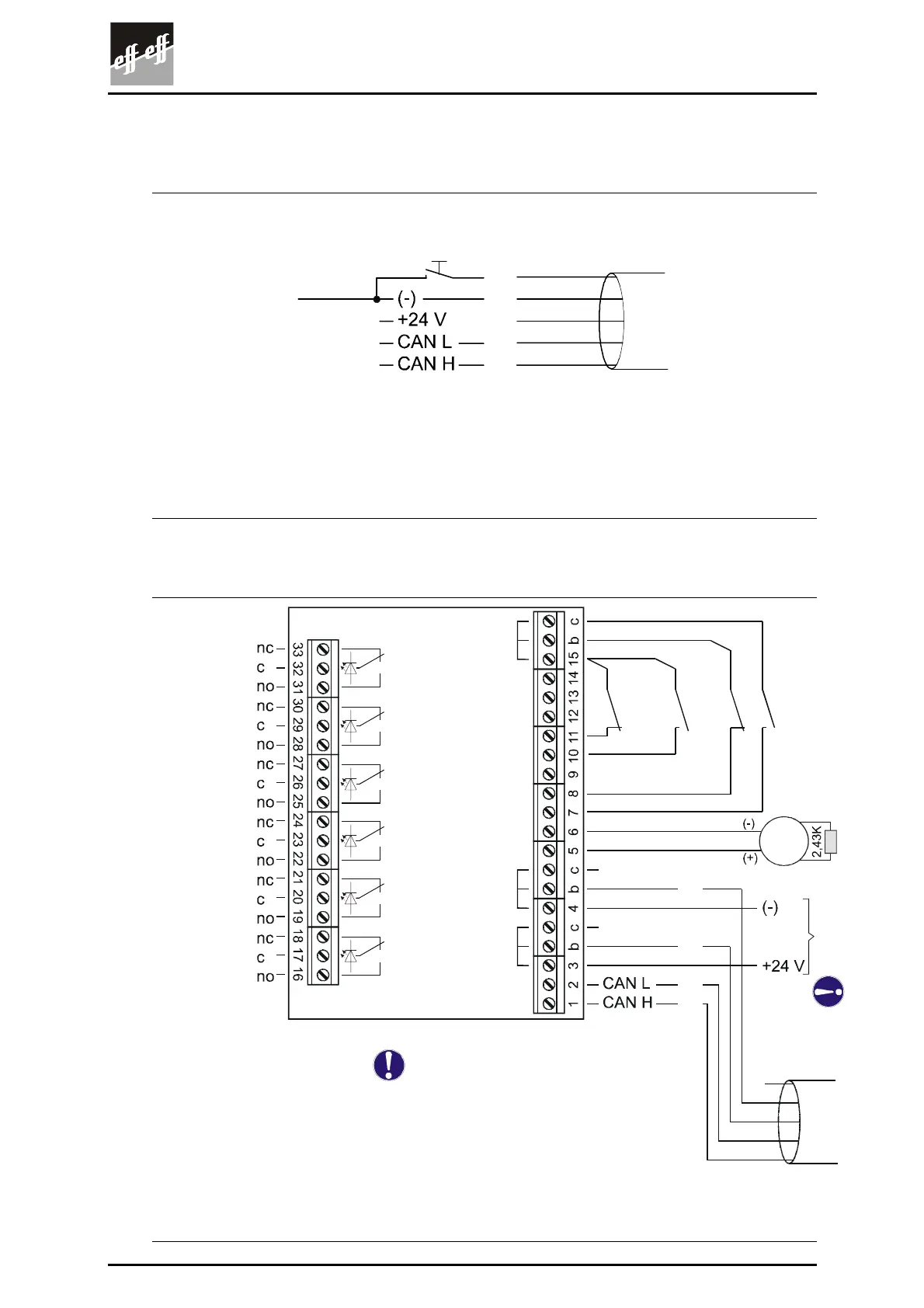
The electrical connection
3.3 The electrical connection
Direct connection lock
Potential-free
contact
(e.g. Access control,
Switching timer, Release button)
gn
wt
br
bu
bk
Connecting cable
Motorized
security lock 519
Lock to UII control device
Alarm
no alarm
drive off
drive on
not approved
approved
open
closed
unlocked
locked
alarm
no alarm
“Alarm
fault
“Actuation revolving
door drive”
“Condition door
handle/profile
semicylinder”
“Condition door”
“Condition lock”
“Fire alarm”
fire alarm
system or
jumper
Reset
Smoke detector
external door contact
or jumper
Potential-free
contact
e.g.
Access control,
Release button
Smoke detector
wt
br
bu
bk
gn
external
current supply
Use the following power supplies
1006-24020---00, 24 V, 2 A/4 A (1 sec.),
1002-24-2,500, 24 V, 2,5 A/4 A (1 sec.) or
1003-24-4----00, 24 V, 4 A
Only with these power supplies
we garanty operational reliability.
If you want to use other power
supplies, you have to let them
check and approved by us.
Connecting cable
Motorized
security lock 519
Page 38 D0038804