EasyManua.ls Logo

Effekta MTD 1000 - System Description

Effekta MTD 1000
68 pages
Print Icon
To Next Page IconTo Next Page
To Next Page IconTo Next Page
To Previous Page IconTo Previous Page
To Previous Page IconTo Previous Page
Loading...
UPS MTD 1000 / 1500 / 2000 / 3000
UPS MTD 1500L / 2000L
System Description
MTD Series
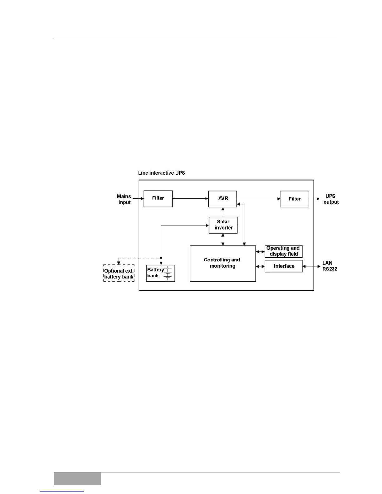
5. System Description
The UPS supplies uninterrupted, single-phase voltage for loads that are critical
for operation. In addition to supplying the loads, the device also keeps the in-
ternal accumulators charged.
In the event of a mains failure or a mains disturbance (e.g. voltage fluctua-
tions), the UPS continues to supply clean voltage at the UPS output without
interruption.
The energy is obtained from the accumulator bank in support operation.
Fig. 5-1 - 1 Schematic diagram of MTD series
The schematic diagram illustrates the individual device modules and roughly
shows their interaction.
If the mains failure exceeds the bridging period of the UPS, this switches off to
prevent the deep discharge of the battery. With the return of mains voltage, the
UPS starts up again automatically, supplies the loads and controls the charging
of the battery bank.
Exceptional performance features of the MTD series include:
short amount of time needed to switch to support operation in the event
that the primary mains supply fails;
real sinusoidal voltage at the output of the UPS, low distortion factor.
High-performing communication interface (RS232 interface).

Related product manuals