EasyManua.ls Logo

Effekta MTD 1000 - Communication Connection of the UPS

Effekta MTD 1000
68 pages
Print Icon
To Next Page IconTo Next Page
To Next Page IconTo Next Page
To Previous Page IconTo Previous Page
To Previous Page IconTo Previous Page
Loading...
UPS MTD 1000 / 1500 / 2000 / 3000
UPS MTD 1500L / 2000L
Installation and Connection of the UPS
MTD Series
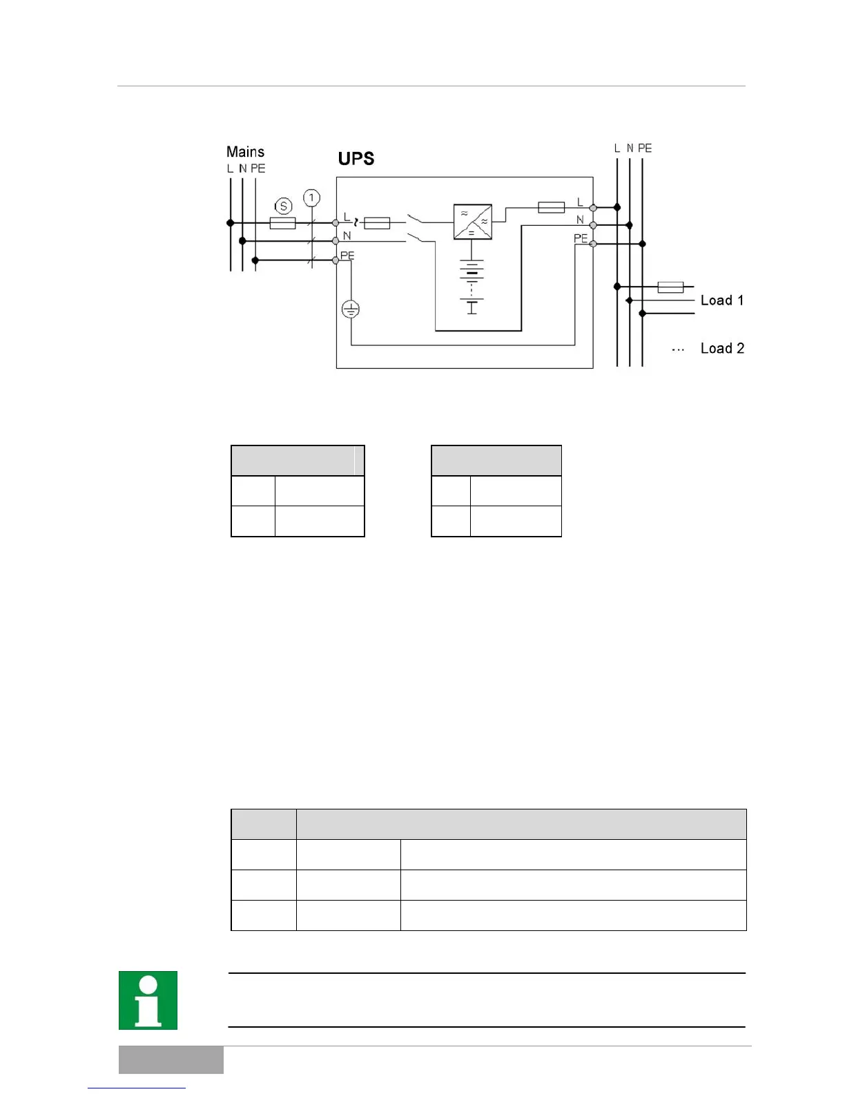
Fig. 6-1 - 1 Connection of the UPS and loads
MTD series
MTD 3000
S:
10 A
S:
16 A
1:
0.75 mm
2
1:
1.5 mm
2
6.2 Communication Connection of the UPS
To exchange data with the UPS, a comfortable communication interface is
available.
6.2.1 Communication connection RS232
For the connection, only use the connection cable listed in the chapter
"Accessories" (1 : 1).
Pin
Assignment
2
RS232
Receiving circuit Rx or shutdown SD
3
RS232
Transmission line Tx
5
RS232
GND
The communication interface is completely galvanically isolated.

Related product manuals