EasyManua.ls Logo

eka EKF 611 CTC - Page 41

eka EKF 611 CTC
44 pages
Print Icon
To Next Page IconTo Next Page
To Next Page IconTo Next Page
To Previous Page IconTo Previous Page
To Previous Page IconTo Previous Page
Loading...
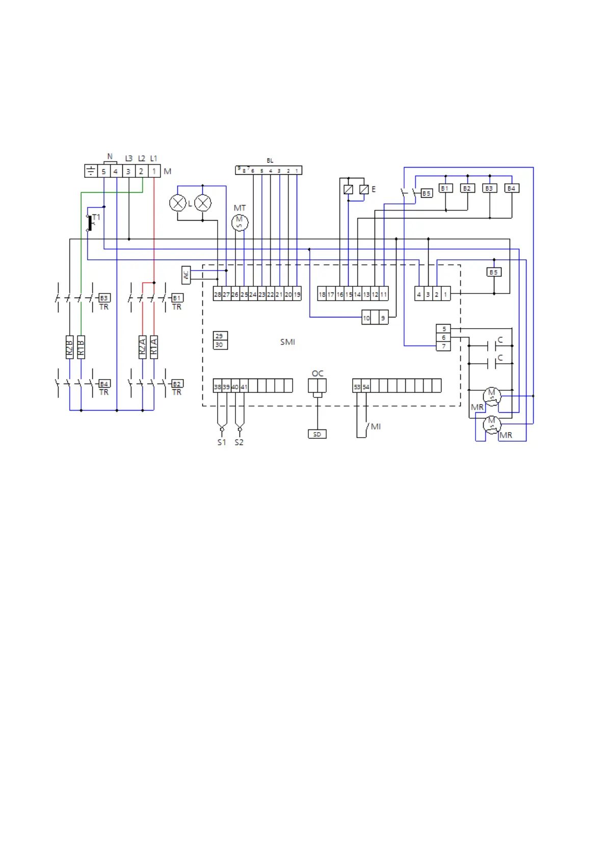
Electronic convection oven rev. .4___________________________________MODD. EKF 611 CTC EKF 1011 CTC
_________________________________________________________________________________________ page 41
MODEL EKF 1011 CTC
Key
M Power supply terminal board
TR-B(1-2-3-4) Contactor coils
B5 Relay coil
R1-R2 Circular resistors
T1 Safety thermostat
C Capacitors
MR Radial motorfans
MT Cooling motorfan
L Lighting lamps
MI Door microswitch
E Water solenoid valves
S1 Cooking chamber probes
S2 Food “core” probe
SMI Microprocessor board
SD Display board
BL Washing box
AC Power hood

Related product manuals