EasyManua.ls Logo

eka EKF 611 CTC - Page 40

eka EKF 611 CTC
44 pages
Print Icon
To Next Page IconTo Next Page
To Next Page IconTo Next Page
To Previous Page IconTo Previous Page
To Previous Page IconTo Previous Page
Loading...
TECNOEKA Srl ___________________________________________________________ operating and instruction manual
page 40 _____________________________________________________________________________________________
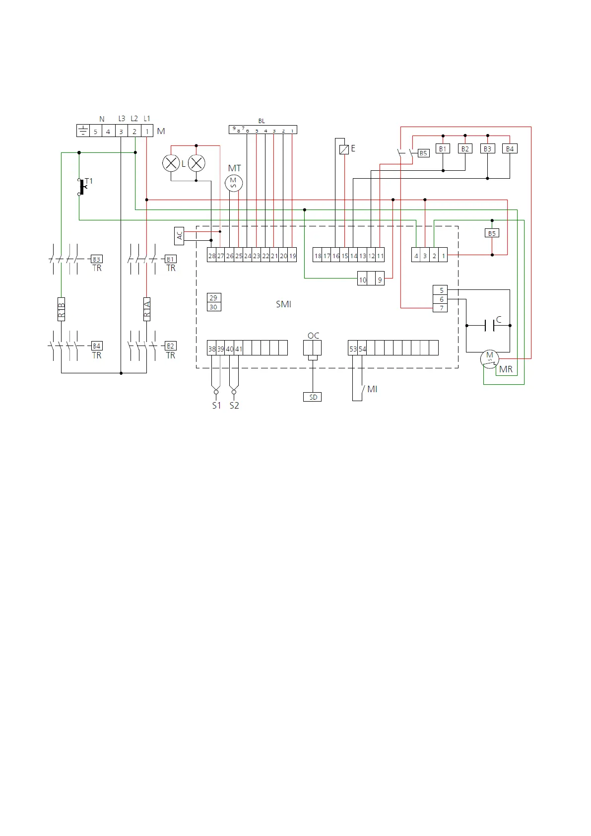
MODEL EKF 611 CTC/0/048
Key
M Power supply terminal board
TR-B (1-2-3-4) Contactor coils
B5 Relay coil
R1 Circular resistor
T1 Safety thermostat
C Capacitor
MR Radial motorfan
MT Cooling motorfan
L Lighting lamps
MI Door microswitch
E Water solenoid valve
S1 Cooking chamber probes
S2 Food “core” probe
SMI Microprocessor board
SD Display board
BL Washing box
AC Power hood

Related product manuals