EasyManua.ls Logo

eka EKF 611 CTC - Page 39

eka EKF 611 CTC
44 pages
Print Icon
To Next Page IconTo Next Page
To Next Page IconTo Next Page
To Previous Page IconTo Previous Page
To Previous Page IconTo Previous Page
Loading...
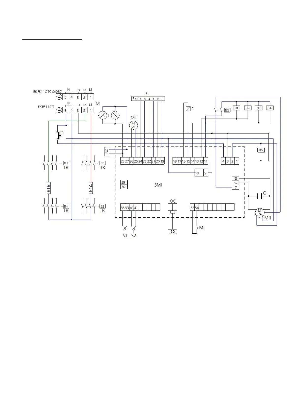
Electronic convection oven rev. .4___________________________________MODD. EKF 611 CTC EKF 1011 CTC
_________________________________________________________________________________________ page 39
12 Wiring diagrams
MODEL EKF 611 CTC EKF 611 CTC/0/037
Key
M Power supply terminal board
TR-B (1-2-3-4) Contactor coils
B5 Relay coil
R1 Circular resistor
T1 Safety thermostat
C Capacitor
MR Radial motorfan
MT Cooling motorfan
L Lighting lamps
MI Door microswitch
E Water solenoid valve
S1 Cooking chamber probes
S2 Food “core” probe
SMI Microprocessor board
SD Display board
BL Washing box
AC Power hood

Related product manuals