EasyManua.ls Logo

ElectrIQ iQool9PLUS - Page 32

ElectrIQ iQool9PLUS
41 pages
Print Icon
To Next Page IconTo Next Page
To Next Page IconTo Next Page
To Previous Page IconTo Previous Page
To Previous Page IconTo Previous Page
Loading...
INSTALLATION GUIDE
32
STANDARD PIPELINES CONNECTION & AIR PURGING
No dust or any other particles, air or moisture should be allowed to enter the air conditioning
system. Careful attention should be paid when pipeline connection for outdoor unit is made. Try
to avoid repeated curves as much as possible; otherwise damage to the copper pipes may occur.
Suitable wrenches should be used when the pipeline connection is done so as to ensure
appropriate torque (refer to following torque table).
Excessive torque action might damage the joints while too little torque might lead to leakage.
Torque based upon the wrench to be used
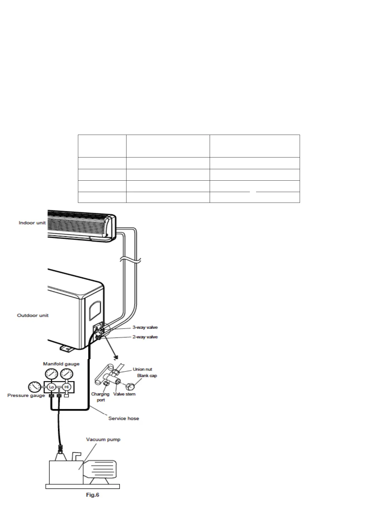
AIR PURGING WITH VACUUM PUMP
1. Check that pipelines connection have been
properly connected, remove the charging port
cap, and connect the manifold gauge and the
vacuum pump to the
charging valve by service
hoses as shown
2. Open the valve of the low-pressure side of
manifold gauge, then run the vacuum pump.
Vacuum the indoor unit and the connecting
pipes until the pressure in them lowers to below
1.5mmHG (The operation time for vacuuming is
about 10 minutes). When the desired vacuum is
reached, close the valve of the low pressure of
the manifold and stop the vacuum pump.
3. Disconnect the service hoses and fit the cap
to the charging valve.
4. Remove the blank caps, and fully opens the
spindles of the 2-way and 3-ways valves with a
service valve wrench.
5. Tighten the blanking caps of the 2-way and
3-ways valves, applying the above torque Table
Copper pipe
diam.
Tightening torque
Strengthened tightening
torque
6.35(1/4")
160kgf.cm(63kgf.inch)
200kgf.cm(79kgf.inch)
9.52(3/8")
300kgf.cm(118kgf.inch)
350kgf.cm(138kgf.inch)
12.7(1/2")
500kgf.cm(197kgf.inch)
550kgf.cm(216kgf.inch)
15.88(5/8")
750kgf.cm(295kgf.inch)
800kgf.cm(315kgf.inch)

Related product manuals