EasyManua.ls Logo

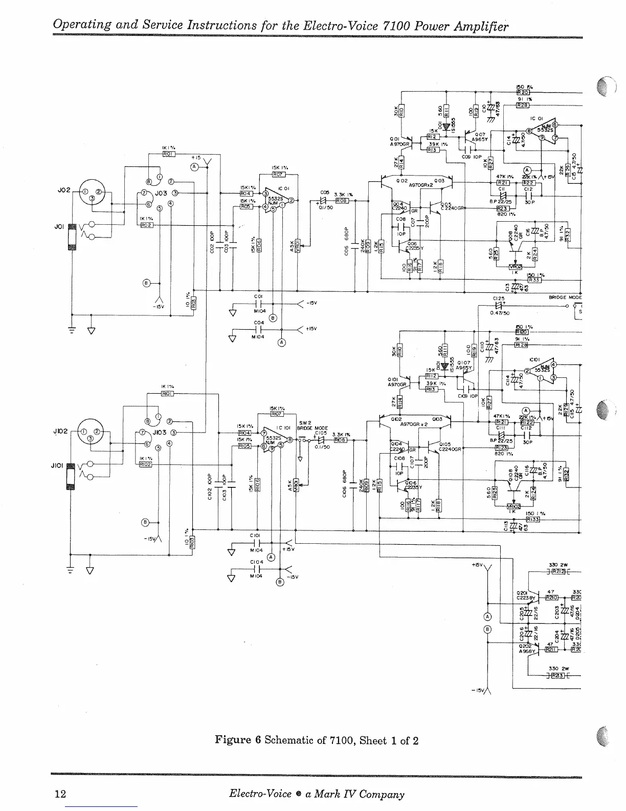
Electro-Voice 7100 - Schematic of 7100

Electro-Voice 7100
18 pages
Print Icon
To Next Page IconTo Next Page
To Next Page IconTo Next Page
To Previous Page IconTo Previous Page
To Previous Page IconTo Previous Page
Loading...

Other manuals for Electro-Voice 7100

Related product manuals