EasyManua.ls Logo

ElectroCraft IQ 5000 - Recommended IQ-2000 Installation for EMC

Default Icon
120 pages
Print Icon
To Next Page IconTo Next Page
To Next Page IconTo Next Page
To Previous Page IconTo Previous Page
To Previous Page IconTo Previous Page
Loading...
Installation 2-25
IQ 2000/5000 Installation Manual
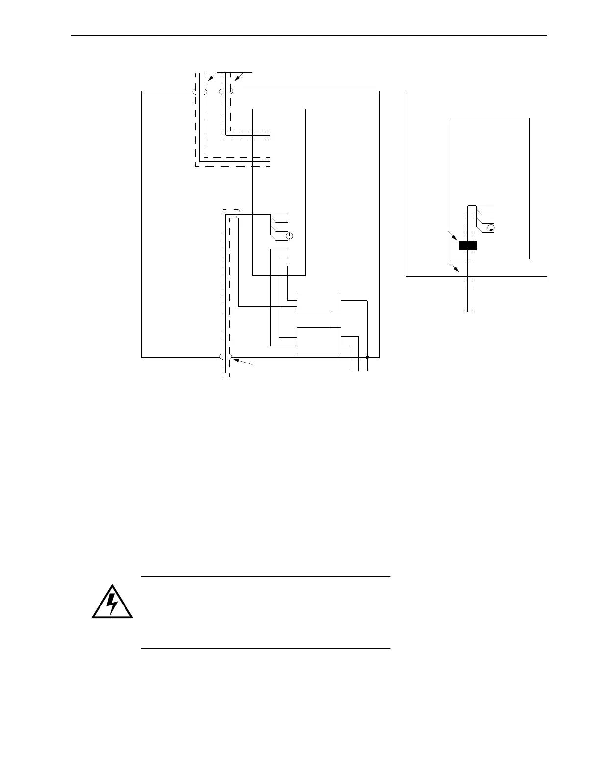
The lead length between the drive and filter does not need to be shielded, but it should be
as short as possible. All other cables must be shielded, with the shields terminated at both
ends. If ground loops are an issue, the shield can be capacitively terminated at one end.
The drive should be mounted in a grounded metal enclosure, an “EMI” enclosure is not
required.
Route the encoder feedback, serial communications and digital I/O cables separately from
AC and motor power cabling.
One of the most important factors is the motor cable shield termination at the motor end. The
shield must be terminated to the case of the motor through the connector backshell, or through
a metal gland in the case of a motor with flying leads. If there are any intermediate connectors
in any of the screened cables, the screen must connect through the backshells and not by routing
a drain wire through a pin inside the connector. Use of a drain wire virtually guarantees failure
to meet the EMC requirements!
FIGURE 2.20 Recommended IQ-2000 Installation for EMC
DANGER: Large leakage currents exist in AC line filters. A filter
must be grounded properly before applying power. Filter capaci-
tors retain high voltages after power is removed. Before handling
the equipment, voltages should be measured to determine safe
levels. Failure to observer this precaution could result in severe
bodily injury.
Ground Bus Bar
FILTER
Bulkhead Connectors
or Clamps
Encoder
Leads
Bulkhead Connector
or Clamp
S
T
R
MOTOR LEADS
MOTOR POWER CABLE
Bracket
No Shield
Connection
Required
ENCLOSURE
ALTERNATIVE MOTOR POWER
CABLE SHIELD TERMINATION
S
T
R

Table of Contents

Related product manuals