EasyManua.ls Logo

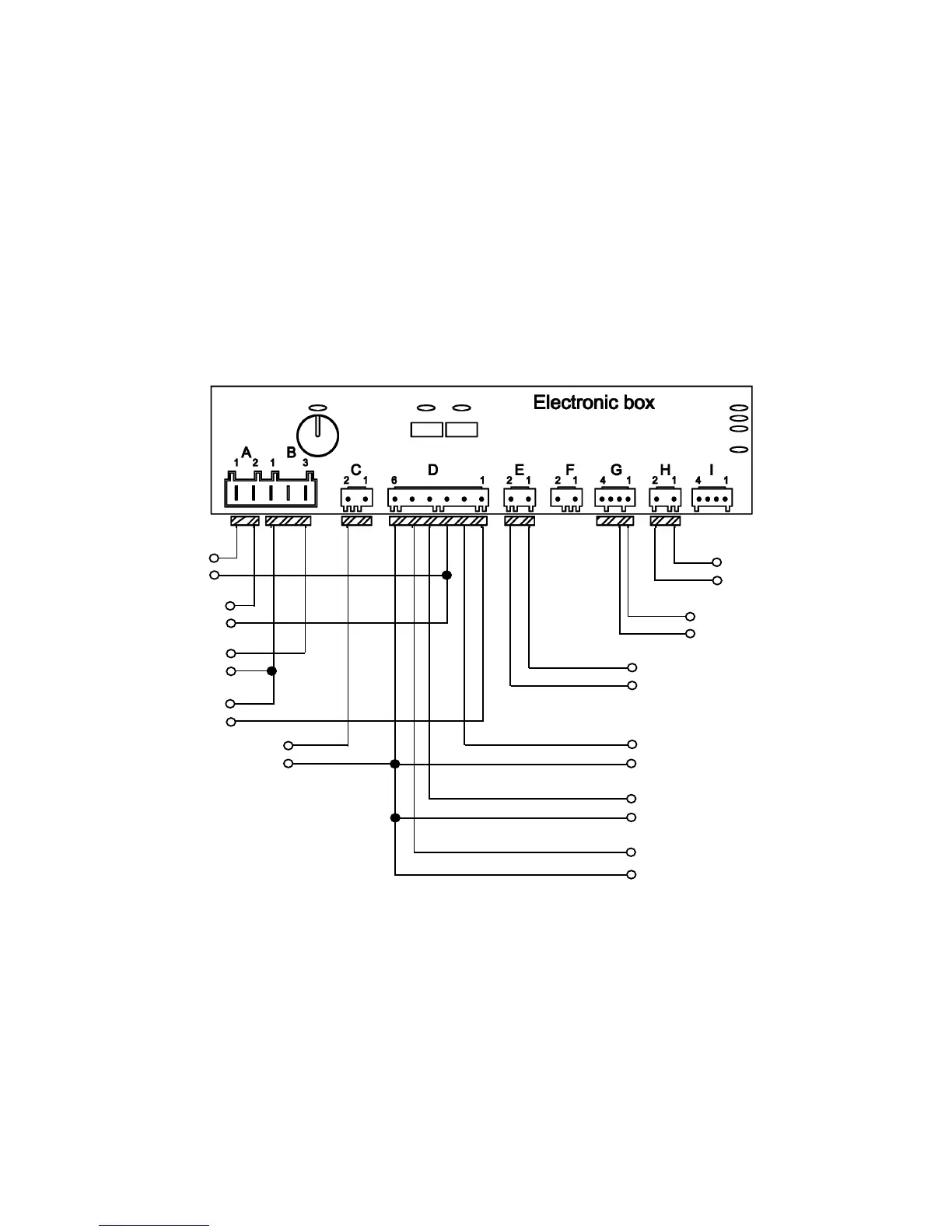
Electrolux COMPACT MIDI + EDW 500 - 19 Measurement Points

Electrolux COMPACT MIDI + EDW 500
30 pages
Print Icon
To Previous Page IconTo Previous Page
To Previous Page IconTo Previous Page
Loading...
- 30 -
Spares Operation - R.Kurzke 02/05 599 521 951 EN
Conditions:
- Door closed
- Main plug disconnected
- Main switch ON
- Electronic plugs disconnected
19. Measuring points and values
Reed switch - salt
0
empty
NTC
5,25 k
room temperature
coil - dispenser unit 1,35 k
regeneration valve 3,6 k
inlet valve 3,8 k
circulation pump
Main coil 126
Heater 45
drain pump 180
door switch 0
pressure switch
- no level
0
- with level

Related product manuals