EasyManua.ls Logo

Electrolux WP4700H - Technical Characteristics

Electrolux WP4700H
56 pages
Print Icon
To Next Page IconTo Next Page
To Next Page IconTo Next Page
To Previous Page IconTo Previous Page
To Previous Page IconTo Previous Page
Loading...
2413 1
6
1496/58.79”
990/38.9”
240/9.4”
1496/58.79”
> 1 m/40”> 1 m/40”
N
1423/55.92”
1363/53.56”
2075/81.55”
790/
31.05”
> 1 m/40”
2040/80.17”
320/
12.573”
1715/67.4”
85/
3.35”
H1
H2
G
KN
J
T
101/
3.99”
69/2.78”
114/4.5”
255/10.04”
409/16.09”
681/26.78”
150/
8.84”
L
235/
9.25”
240/9.4”
Ø 110/4.33”
Ø 200/7.87”
H1
I
176/6.9”
271/10.65”
520/34.02”
485/
30.68”
395/29.30”
F
D
E
H1- H2 - H3
305/11.99”
575/
22.59”
K
N
H1
H2
GE
J
D
M
30/1.18”
390/ 15.33”
H3
145/5.67”
TF
V-W
72
11
V-W
264
156
07100140
Notice
Date Page
05201053
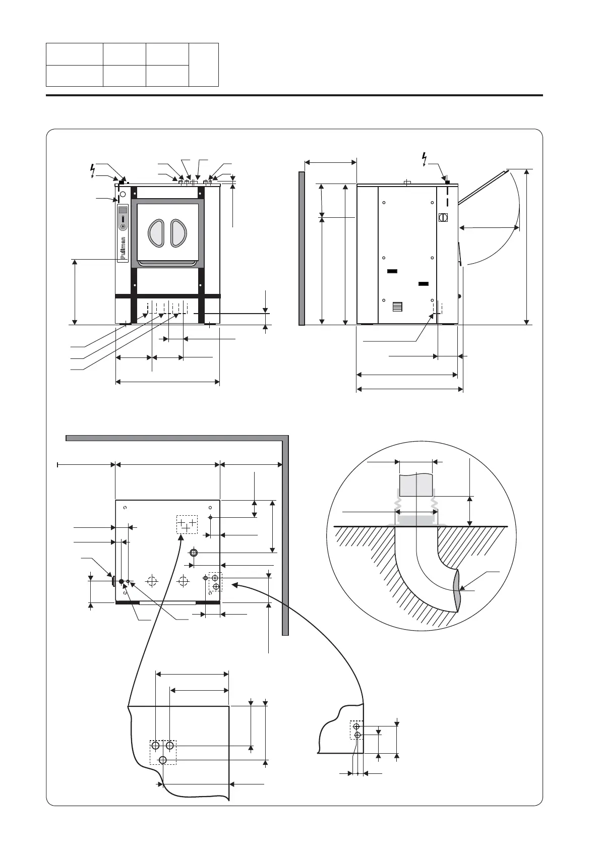
INSTALLATION
MANUAL
Washer extractor type 700 standard
Top view
Example of drain
connection
Left view
Front view
6.Technical
characteristics

Related product manuals