EasyManua.ls Logo

Electrolux WP4700H - Page 22

Electrolux WP4700H
56 pages
Print Icon
To Next Page IconTo Next Page
To Next Page IconTo Next Page
To Previous Page IconTo Previous Page
To Previous Page IconTo Previous Page
Loading...
2413 9
6
07100139
69
2.78”
114,5
4.5”
1726/67.83”
1726/67.83”
K
N
K
H2
H1
N
M
H2
J
G
M
G
409/16.09”
681/26.78”
J
2580/101.4”
830/33”
> 1 m/40”> 1 m/40”
690/27.11”
1483/58.28”
2075/81.55”
790/
31.05”
305/11.99”
990/38.9”
390/
15.33”
240/9.4”
2040/80.17”
1363/53.56”
T
101/3.99”
150/8.84”
320/
12.573”
1715/67.4”
L
181/
7.26”
O
P
1800/70.86”
100/3.94”
100/3.94”
100/3.94”
2080/81.88”
30/1.18”
236/
9.27”
H1
82/3.2”
G
256/10.26”
240/9.4”
Ø 110/4.33”
H1
I
D-E-F
176/6.9”
271/10.65”
866/34.02”
781/
30.68”
746/29.30”
E
F
D
D
E
H3
145
5.67”
H1-H2-H3
100/3.93”
50/1.97”
100/3.93”
R
P
Ø 200/7.87”
72 11
V-W
264
156
V-W
Notice
Date Page
05201053
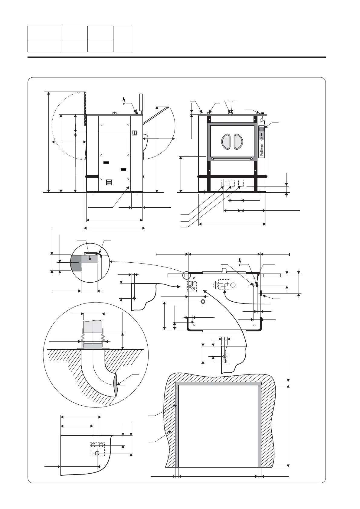
INSTALLATION
MANUAL
6.Technical
characteristics
Washer extractor type 900 barrier
Front view
Right view
Top view
(Optional)
Example of drain
connection

Related product manuals