EasyManua.ls Logo

Elego 37 SENSOR KIT - Tracking Module Connection and Results

Default Icon
137 pages
Print Icon
To Next Page IconTo Next Page
To Next Page IconTo Next Page
To Previous Page IconTo Previous Page
To Previous Page IconTo Previous Page
Loading...
Http://www.elego.cc
118 / 137
Component Introduction
Connection
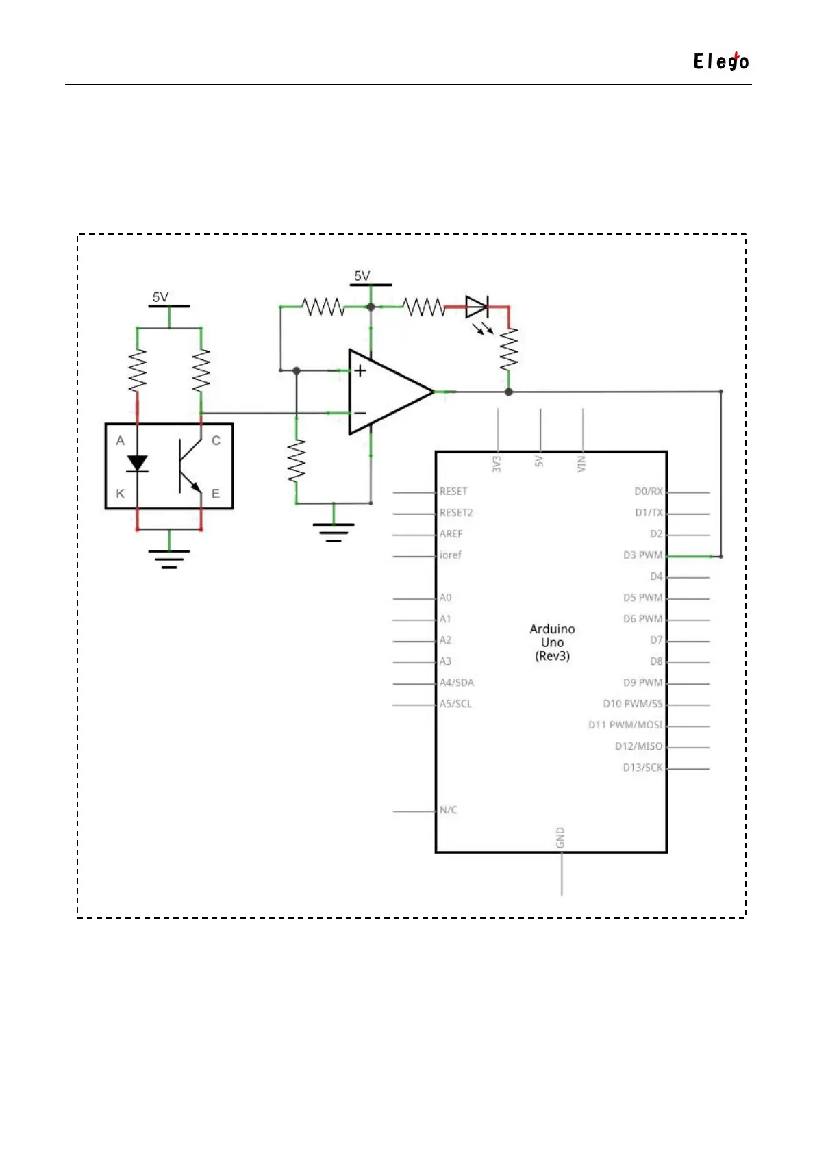
Schematic
wiring diagram