EasyManua.ls Logo

Elego 37 SENSOR KIT - DS18 B20 Connection and Results

Default Icon
137 pages
Print Icon
To Next Page IconTo Next Page
To Next Page IconTo Next Page
To Previous Page IconTo Previous Page
To Previous Page IconTo Previous Page
Loading...
Http://www.elego.cc
25 / 137
Principle
DS18B20 module is using a single bus. The power supply voltage range of 3.0 V to 5.5 V and
no standby power supply. It can Measuretemperaturerangefor-55degreeto+125degree
with accuracy of+/-0.5°C.
The programmable DPI of temperature sensor is From 9 to 12. temperature conversion is 12
digits lattice type. maximum is 750 milliseconds. Families can be defined non-volatile
temperature alarm Settings.
Each DS18B20 contains a unique serial number so that multiple ds18b20 scan exist in a bus.
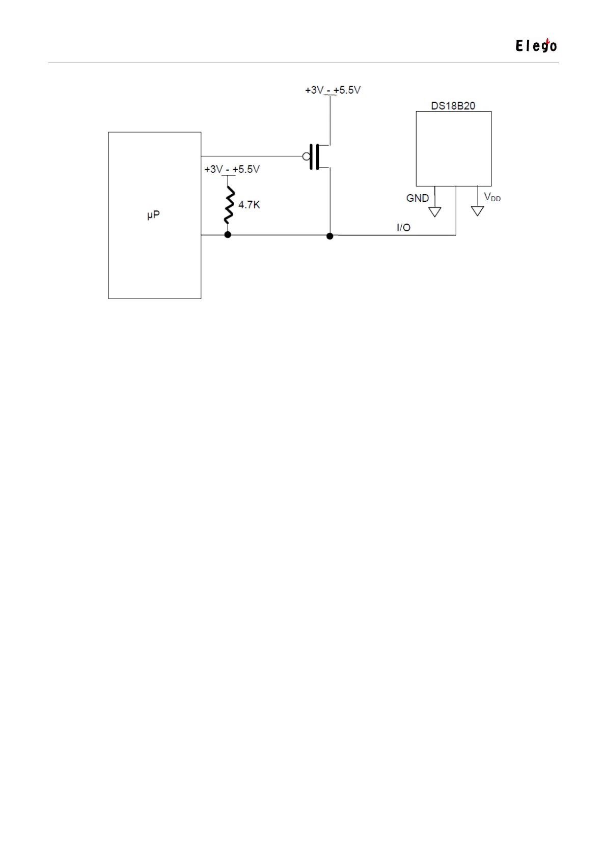
Connection
Schematic