EasyManua.ls Logo

Elego 37 SENSOR KIT - Sound Sensor Connection and Results

Default Icon
137 pages
Print Icon
To Next Page IconTo Next Page
To Next Page IconTo Next Page
To Previous Page IconTo Previous Page
To Previous Page IconTo Previous Page
Loading...
Http://www.elego.cc
74 / 137
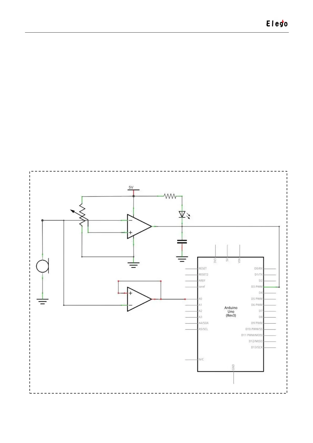
Component Introduction
Sound sensor:
The sound sensor module provides an easy way to detect sound and is generally used for
detecting sound intensity. This module can be used for security, switch, and monitoring
applications. Its accuracy can be easily adjusted for the convenience of usage.
It uses a microphone which supplies the input to an amplifier, peak detector and buffer.
When the sensor detects a sound, it processes an output signal voltage which is sent to a
microcontroller then performs necessary processing.
Connection
Schematic