EasyManua.ls Logo

Elego 37 SENSOR KIT - Flame Sensor Connection and Results

Default Icon
137 pages
Print Icon
To Next Page IconTo Next Page
To Next Page IconTo Next Page
To Previous Page IconTo Previous Page
To Previous Page IconTo Previous Page
Loading...
Http://www.elego.cc
99 / 137
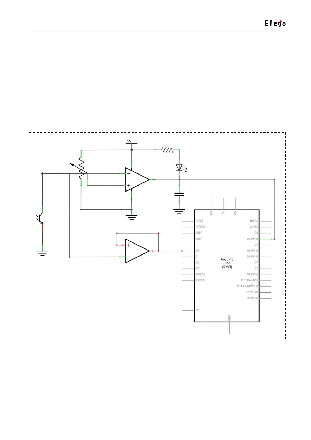
Operating voltage 3.3V-5V
Digital and Analog Output
" DO digital switch outputs (0 and 1)
" AO analog voltage output
Power indicator and digital switch output indicator
Connection
Schematic
wiring diagram