EasyManua.ls Logo

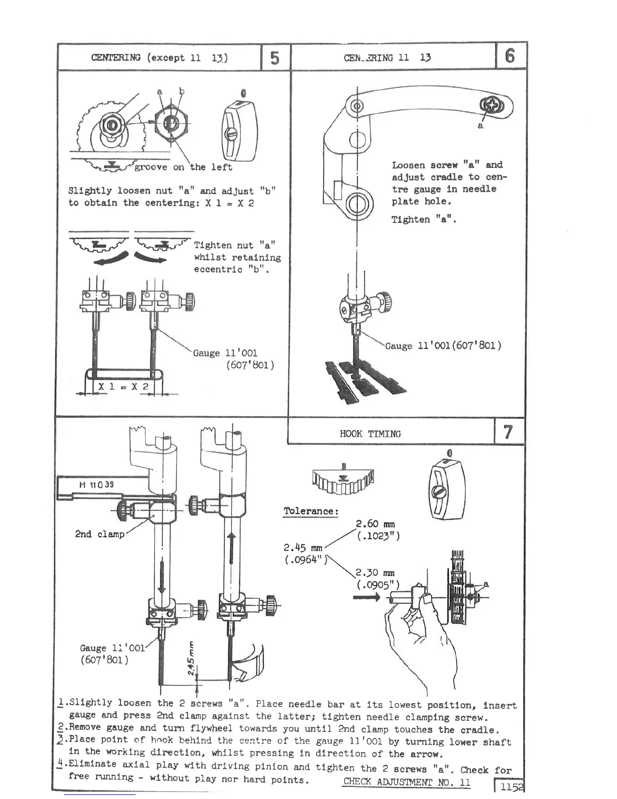
ELNA EC 11 - Centering Adjustment (Except Models 11, 13); Centering Adjustment (Models 11, 13); Hook Timing Adjustment

ELNA EC 11
28 pages
Print Icon
To Next Page IconTo Next Page
To Next Page IconTo Next Page
To Previous Page IconTo Previous Page
To Previous Page IconTo Previous Page
Loading...

Related product manuals