EasyManua.ls Logo

ELTRA ELEMENTRAC CS-d - Furnace

ELTRA ELEMENTRAC CS-d
117 pages
Print Icon
To Next Page IconTo Next Page
To Next Page IconTo Next Page
To Previous Page IconTo Previous Page
To Previous Page IconTo Previous Page
Loading...
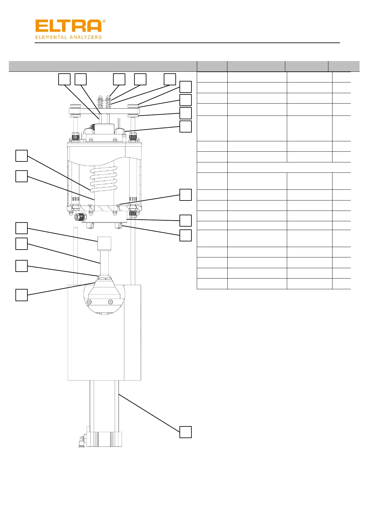
Spare parts
96
11.1.3 Furnace
Position
Designation
Part No.
Quantity
1
M4-A2 cap nut
08.261.0001
2
2
Washer
08.701.0058
2
3
Spring
75122
2
4
Top knurled nut
14165
2
5
Roller bearing with
flange GFM-1112-
06
66500-0534
2
6
Bottom knurled nut
14161
2
7
Wing nut
76003
4
8
Glued
9
Bottom end plate of
the furnace
14025-2001
1
10
Pneumatic cylinder
14009-2001
1
11
Cone
14180
1
12
Cone insert
14170
13
Crucible tray
14168
1
14
Crucible
90148
90149
1000
15
Combustion tube
14130
1
16
Combustion coil
13067
1
17
Mounting bar
14080
2
18
Retaining ring
08.647.0006
2
Fig. 52: Furnace, front view 1
1
2
3
4
5
7
8
9
7
10
11
12
13
©
15
16
17
18
6
14

Table of Contents

Related product manuals