EasyManua.ls Logo

Em-Trak A200 - Page 68

Em-Trak A200
104 pages
Print Icon
To Next Page IconTo Next Page
To Next Page IconTo Next Page
To Previous Page IconTo Previous Page
To Previous Page IconTo Previous Page
Loading...
Inland mode
Page 66
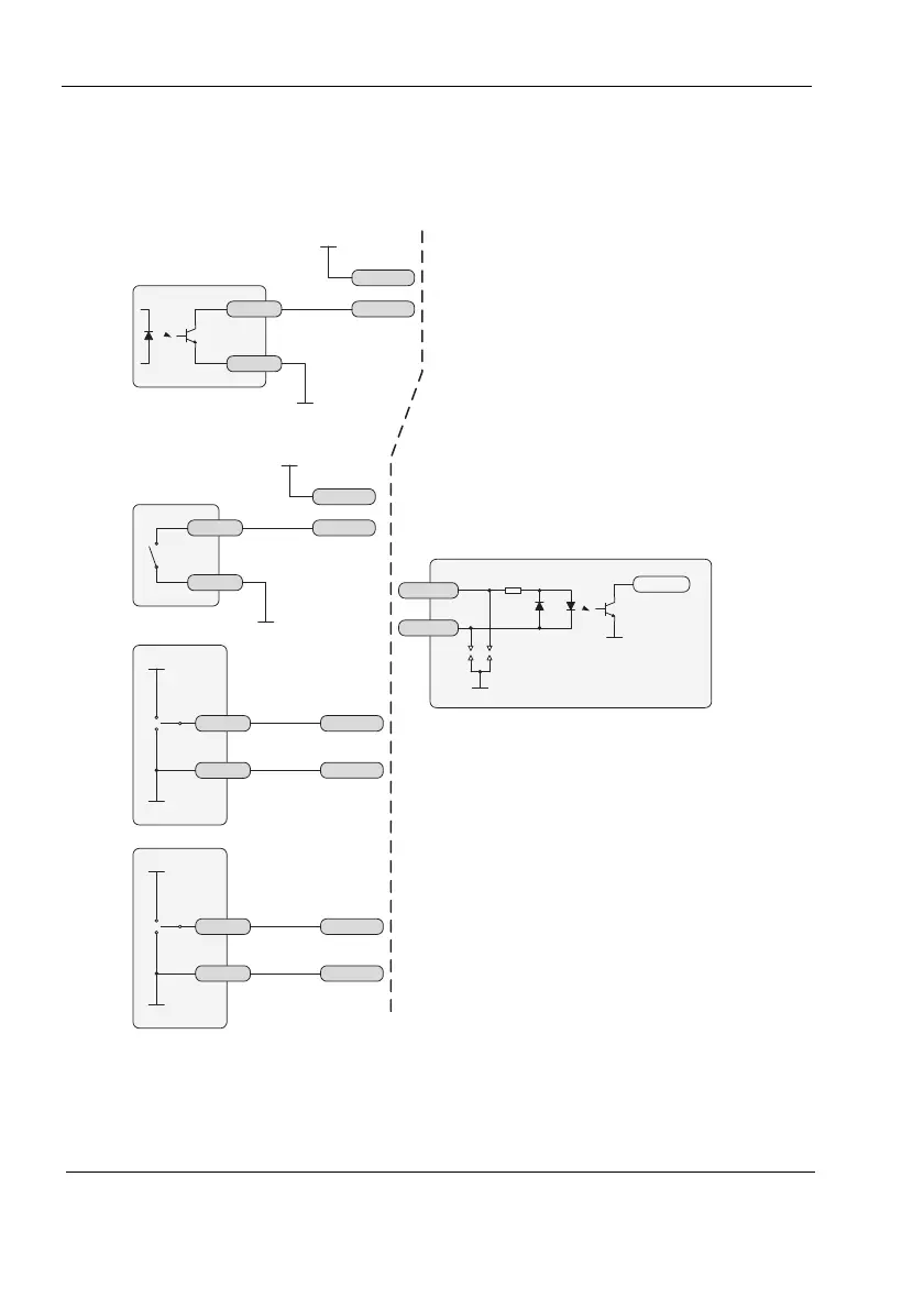
Figure 27 Blue Sign interface connection options
GND
0 / 12V
12V
GND
GND
0 / 5V
5V
GND
BLUE_SIGN_P
BLUE_SIGN_N
BLUE_SIGN_P
BLUE_SIGN_N
CONTACT 2
CONTACT 1
BLUE_SIGN_P
BLUE_SIGN_N
OUTPUT -
OUTPUT +
Remote
Equipment
KƉƟŽŶƐ
BLUE_SIGN
BLUE_SIGN_P
BLUE_SIGN_N
GND
GND
3k9
FIELD GND
FIELD POWER
32
Vdc max.
BLUE_SIGN_P
BLUE_SIGN_N
FIELD POWER
32
Vdc max.
FIELD GND
AIS
dƌĂŶƐĐĞŝǀĞƌ

Table of Contents

Related product manuals