EasyManua.ls Logo

Emerson SP1203 - Unidrive SPMC Half Controlled Thyristor Rectifier

Emerson SP1203
220 pages
Print Icon
To Next Page IconTo Next Page
To Next Page IconTo Next Page
To Previous Page IconTo Previous Page
To Previous Page IconTo Previous Page
Loading...
Safety
Information
Introduction
Product
information
System
design
Mechanical
installation
Electrical
installation
Getting
started
Optimisation Parameters
Technical
data
Component
sizing
Diagnostics
Unidrive SP Regen Installation Guide 19
Issue Number: 2 www.controltechniques.com
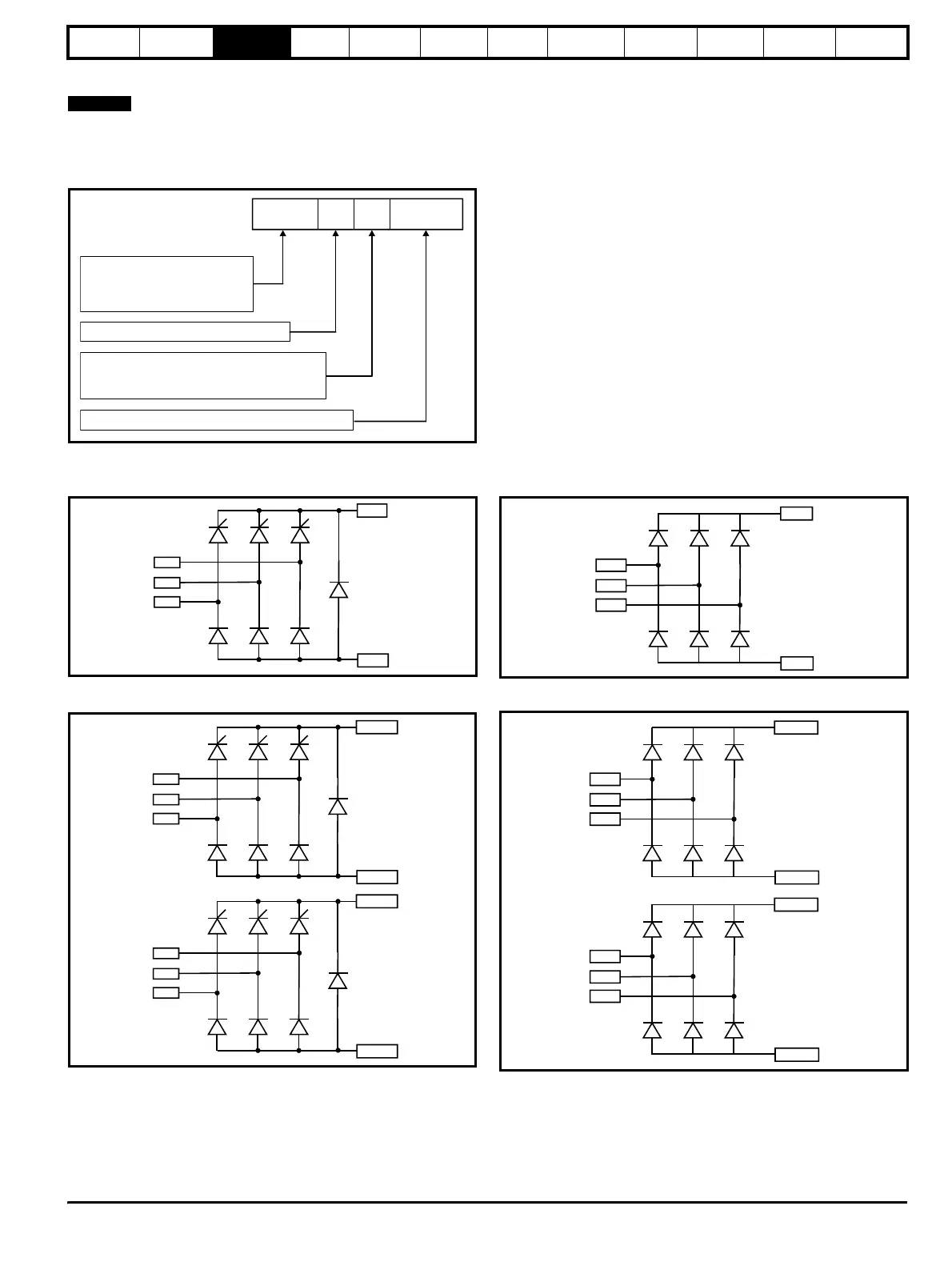
3.5 Unidrive SPMC half controlled thyristor rectifier
For the 200V modules where an external charging circuit is required the
SPMU1401, SPMU1402 and SPMU2402 can be used as detailed
following:
Figure 3-4 Rectifier (SPMC and SPMU)
The Unidrive SPMC is a controlled thyristor rectifier and the SPMU is an uncontrolled rectifier.
SPMC1402 and 1601
Figure 3-5 Single half controlled thyristor
SPMC2402 and 2601
Figure 3-6 Dual half controlled thyristor
SPMU1401, 1402 and 1601
Figure 3-7 Single diode rectifier
SPMU2402 and 2601
Figure 3-8 Dual diode rectifier
The Unidrive SPMC is a half controlled thyristor bridge is used as a front end to the SPMD inverter module or as a stand alone rectifier for several
smaller drives. Soft-start is built in.
The Unidrive SPMU is used as a front end to the SPMD inverter module or as a stand alone rectifier for several smaller drives. Softstart must be
supplied externally using a resistor and contactor or SPMC.
An external 24V, 3A power supply is required in addition to the AC supply to allow the rectifier to operate. Control wiring is required between the
rectifier and motoring drive(s) so that if the rectifier indicates a fault the motoring drive(s) will be disabled.
NOTE
Unidrive SPM product line
SPMC:
Number of rectifier stages
Voltage rating
Current rating step
SPMU:
Uncontrolled rectifier
SPMC 1 402
Controlled rectifier
4: 380V to 480V
6: 500V to 690V
L3
+DC
-DC
L2
L1
L3A
+DC (A)
-DC (A)
L2A
L1A
L3B
+DC (B)
-DC(B)
L2B
L1B
L1
L2
L3
+DC
-DC
L1A
L2A
L3A
+DC (A)
-DC (A)
L1B
L2B
L3B
+DC (B)
-DC (B)

Table of Contents