EasyManua.ls Logo

EMKO ESM-3710 - Output Connections

EMKO ESM-3710
27 pages
Print Icon
To Next Page IconTo Next Page
To Next Page IconTo Next Page
To Previous Page IconTo Previous Page
To Previous Page IconTo Previous Page
Loading...
18
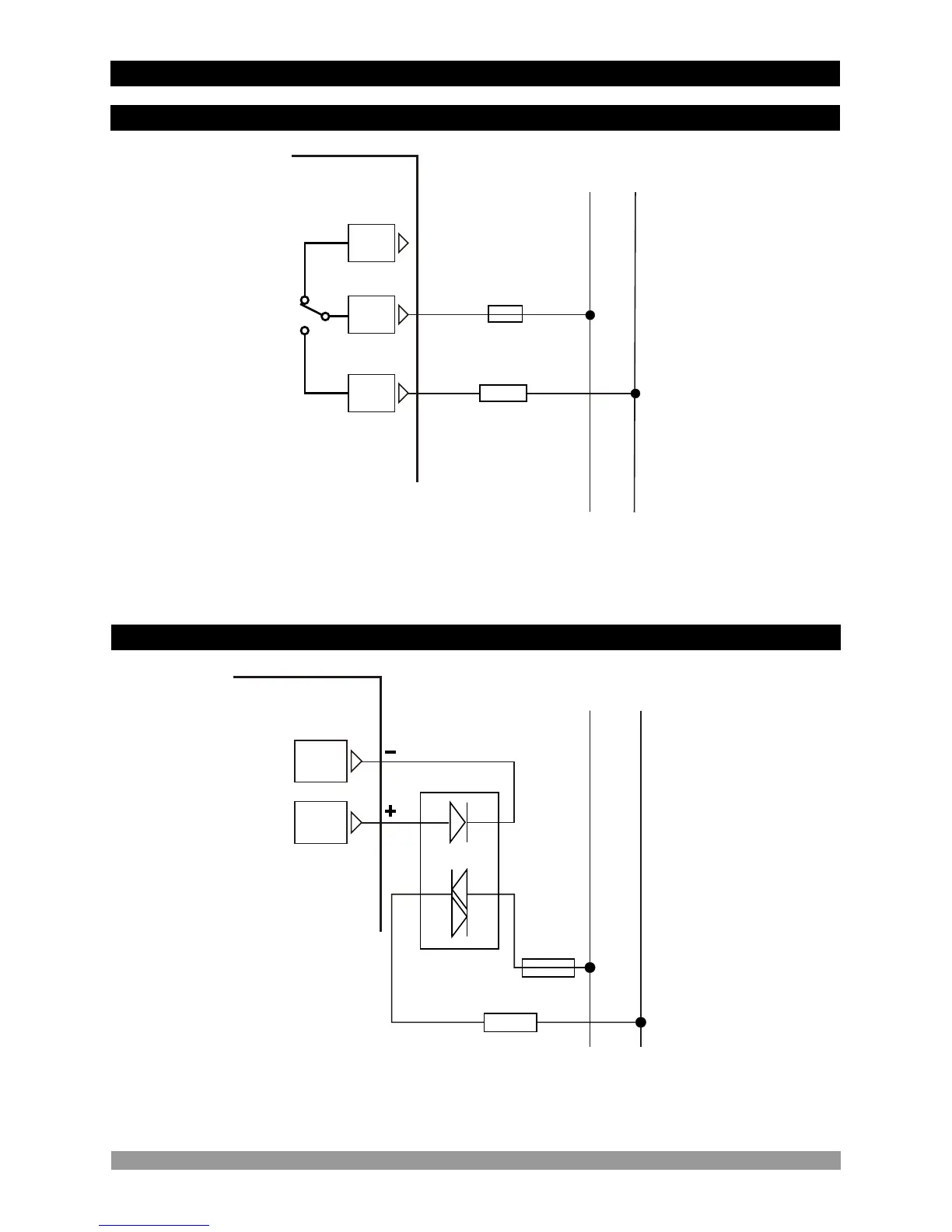
3.7.2 SSR Driver Output Connection
Fuse
Load
Last Control
Element
(SSR)
2
Device
L N
1
Fuses must be selected according to the application.
c
c
Max.15 V Z
Max. 28mA
Fuses must be selected according to the application.
c
Device
1
Load
L N
2
Max
10A V T Fuse
NC
C
NO
3.7.1 Relay Output Connection
3
c
3.7 Output Connections

Related product manuals