EasyManua.ls Logo

EMP E2512A - Installation; Pump Orientation

EMP E2512A
18 pages
Print Icon
To Next Page IconTo Next Page
To Next Page IconTo Next Page
To Previous Page IconTo Previous Page
To Previous Page IconTo Previous Page
Loading...
Installation
9970002204, REV E, 4/16/2012 © 2011 EMP 14
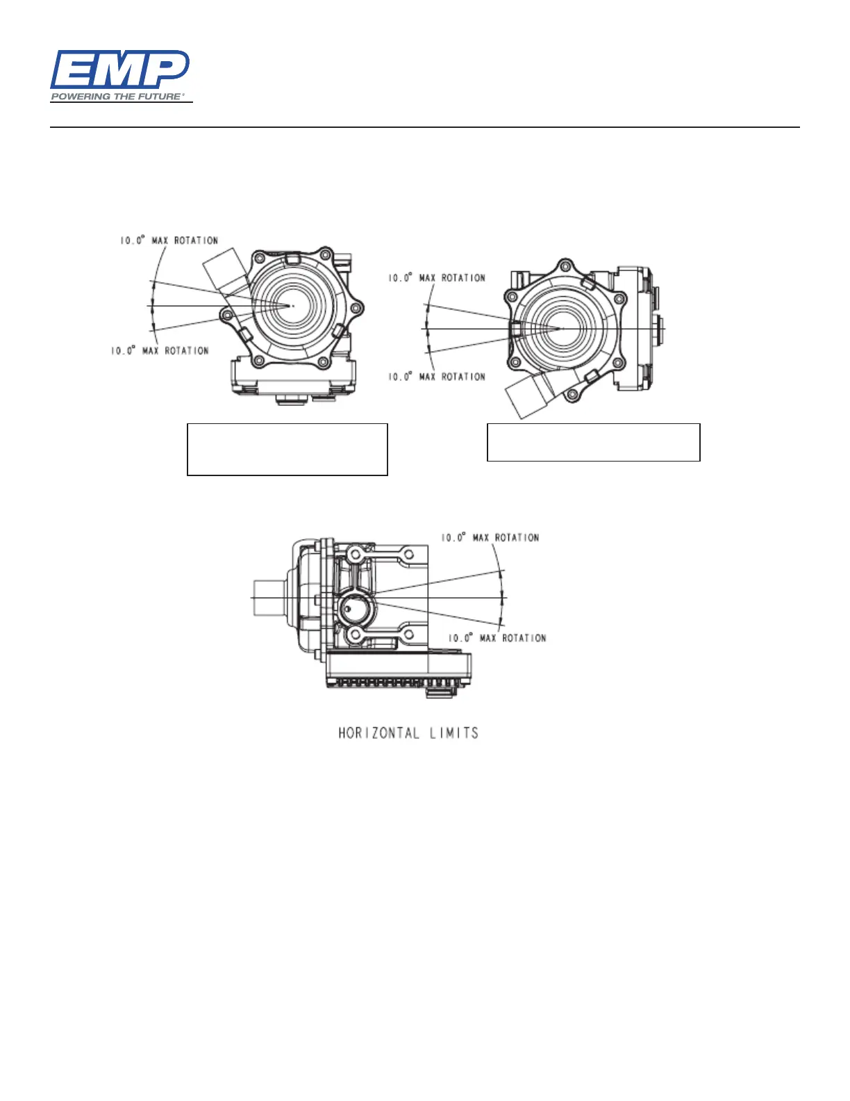
Installation
Pump Orientation
Preferred Orientation
(View From Front of Pump)
Acceptable Orientation
LPE Rev A, 2-May-2013

Related product manuals