EasyManua.ls Logo

EMP E2512A - Specifications; Dimensions; Hole Locations;Bolt Spacing

EMP E2512A
18 pages
Print Icon
To Next Page IconTo Next Page
To Next Page IconTo Next Page
To Previous Page IconTo Previous Page
To Previous Page IconTo Previous Page
Loading...
Specifications
9970002204, REV E, 4/16/2012 © 2011 EMP 6
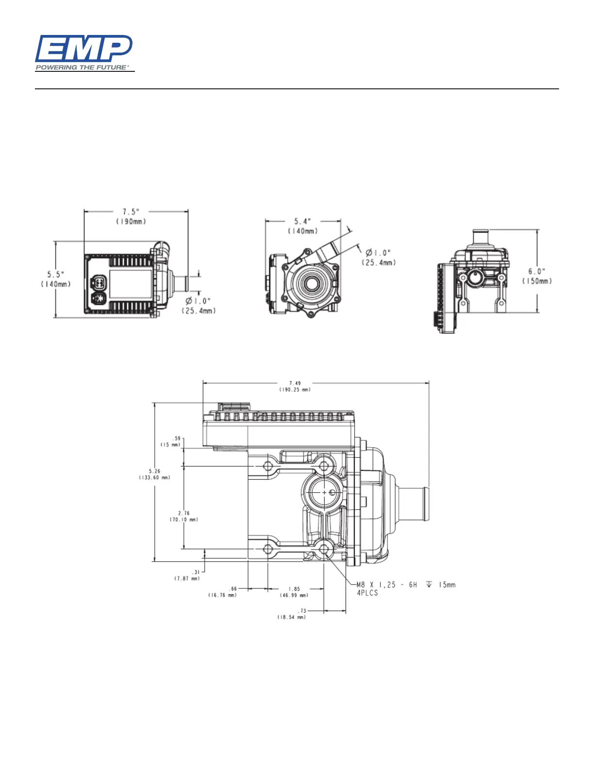
Specifications
Dimensions
Hole Locations/Bolt Spacing
LPE Rev A, 2-May-2013

Related product manuals