EasyManua.ls Logo

EngA C-TRAC2 - Option 2 - Remote Discharge Set-Point with Separate Discharge Sensor

Default Icon
35 pages
Print Icon
To Next Page IconTo Next Page
To Next Page IconTo Next Page
To Previous Page IconTo Previous Page
To Previous Page IconTo Previous Page
Loading...
A C-TRAC2.1 MANUAL
IOM-12 Page 7 March 1999 R1
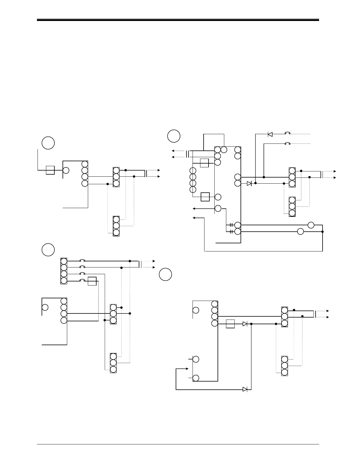
BMS Minimum Position Reset
Some applications require that BMS systems take control of the minimum OA position for smoke control or to
maintain building static by supplying a 0 – 10 VDC signal to the C-TRAC 2.1. This method would require a
diode to be placed on ‘ED’ terminal and another diode on remote signal wire to eliminate feedback problem.
(See drawings).
NOTE:Fieldanalogcontrolinputsrequiresignalisolationtopreventground
loopsignalcorruptionand/ordamagetothecontroller(s).
SAMPLE WIRING FOR 0 – 10 VDC MOTORS
1
E
R
W
B
ED
R W
HIGH AMBIENT SET BACK AT
75° (23°C) R-w CLOSES ON
RISE
ENG A C-TRAC
CONTROL


2
1
3
2
1
3
0 10 VDC
DAMPER
OPERATOR
24V UNGROUND XFMR
MAY HAVE
MULTIPLE
OPERATORS
0 – 10V DC ECOMOMIZER OPERATORS
-
+
24V UNGROUND XFMR
R W
0 – 10V DC ECONOMIZER OPERATION
WITH EXTERNAL 0 – 10VDC SIGNAL OVERRIDE
NOTE: UNGROUNDED TRANFORMER IS REQUIRED FOR C-TRAC CONTROLLER WHEN 0 – 10 VDC DAMPER OVERRIDE SIGNAL
BY OTHERS IS USED.
2


H
N
E
K R
W
A
C
B
ED
1
2
C1
C1


2
1
3
2
1
3
0 – 10 VDC
DAMPER
OPERATOR
MAY HAVE
MULTIPLE
OPERATORS
120/24V/20VA
Unground XFMR
NIGHT
CONTACT
High Ambient
Setback at 75F
(23C R-W Closes
on Rise
Low Ambient
Control at 50F
(10C) R-W Closes
on Rise
24V or 120V Power
Supply from Main
Transformer
EngA C-
TRAC
CONTROL
1LPC
1HPC
2LPC
2HPC
0 – 10 VDC
Damper Override
Signal by Others
DIODE
DIODE
H
N
R W
HIGH AMBIENT
SET BACK AT 75°
(23°C) R-w
CLOSES ON RISE
DAMPER
ON/OFF
CONTACT
=


E
R
W
B
ED
ENG A C-TRAC
CONTROL USING
A
REMOTE MIN. POS.
POTENTIOMETER
2
1
3
2
1
3
0 – 10 VDC
DAMPER
OPERATION
24V UNGROUND XFMR
MAY HAVE
MULTIPLE
OPERATORS
2
3
4
1
=
REMOTE
SGA24
MINIMUM
OUTSIDE
POSITIONER
3
FOR CONTINUOUS ECONOMIZER
OPERATION SWITCHES 6 AND 7 TO
BE ‘OFF’.
R B
REMOTE MINIMUM OUTSIDE AIR POSITIONER
C/W 0 – 10 V DC ECONOMIZER OPERATORS
E
R
W
B
ED
ENG A C-TRAC CONTROL
DOES NOT USE INTERNAL
MINIMUM POSITION
POTENTIOMETER


2
1
3
0 10 VDC
DAMPER
OPERATION
24V UNGROUND XFMR
2
1
3
MAY HAVE
MULTIPLE
OPERATORS
4
Z
V
VVVVVVVVVV
R B
-
+
=
DAMPER
ON/OFF
CONTACT
10K MIN.
POS. POT.
MOUNTED
IN
CONTROL
CABINET
FOR CONTINUOUS ECONOMIZER OPERATION SWITCHES 6 AND 7 TO BE OFF
CONTINUOUS 0 – 10 V DC ECONOMIZER OPERATOR c/w OUTSIDE
AIR MINIMUM POSITION POTENTION MOUNTED IN CONTROL
C
ABINET
HIGH AMBIENT
SET BACK AT
75° (23°C) R-
w
CLOSES ON
RISE

Table of Contents

Related product manuals