EasyManua.ls Logo

EngA C-TRAC2 - Page 35

Default Icon
35 pages
Print Icon
To Previous Page IconTo Previous Page
To Previous Page IconTo Previous Page
Loading...
A C-TRAC2.1 MANUAL
Page xi March 1999 R1
ENGA C-TRAC 2.1
Blue
Grey
Orange
Violet
Blue
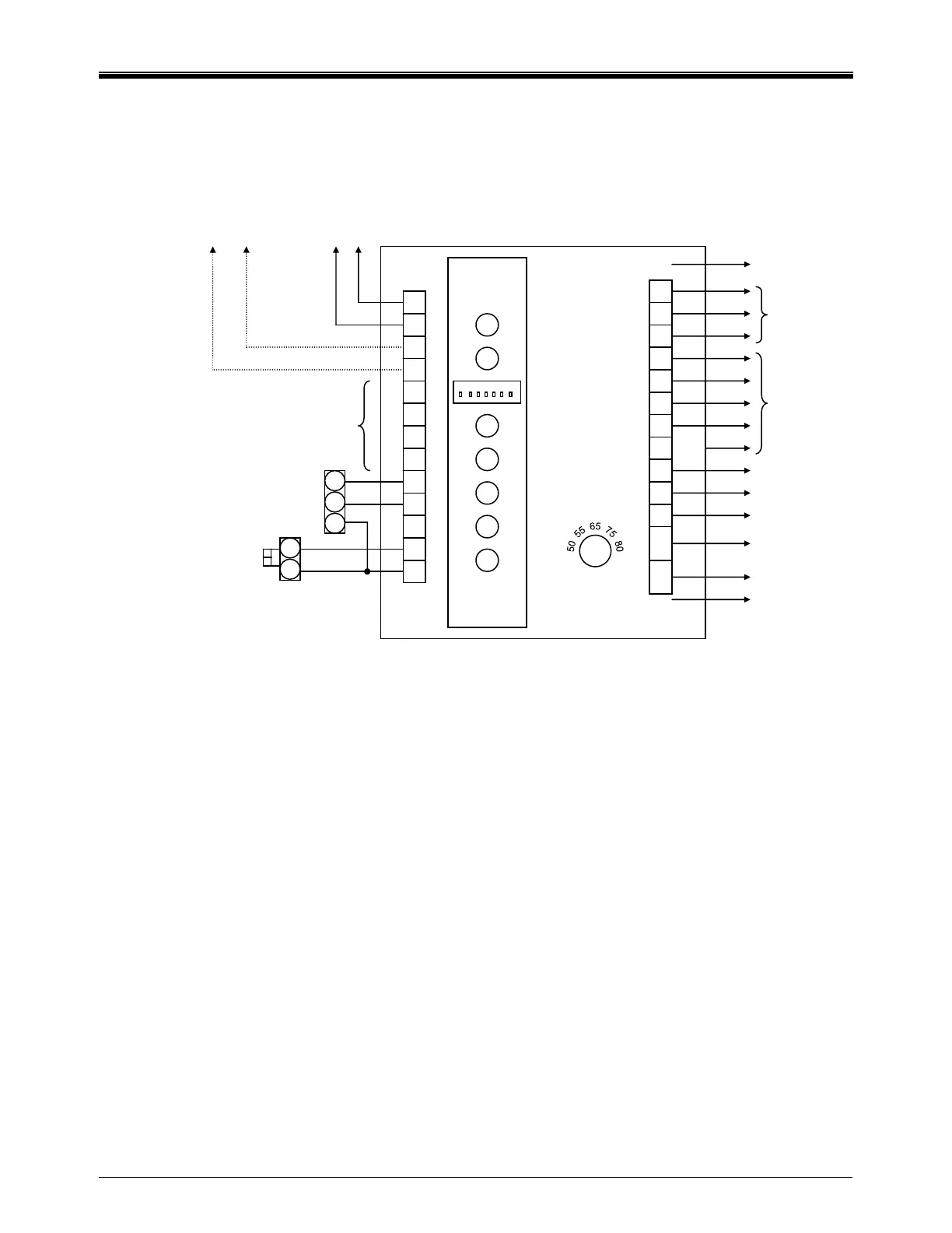
P7
P5
P4
P3
P2
P1
ED
B
W
R
5
4
3
2
1
C
E
K
A
HT
HD
H
N
+
_
Z
Y
X
V
U
S
SP
Q
M
0 – 10 VDC ECONOMIZER
TO
DAMPER MOTOR
CONTACTOR POWER
OUTPUT FOR FIVE
STAGES
CONTACTOR POWER INPUT
ENTHALPY INPUT
TIME CLOCK 24V INPUT
LOW AMBIENT 24V INPUT
OUTPUT TO ENG A HEATING
CONTROL
0 – 10 VDC HEAT OUTPUT
24 V
UNGROUNDED POWER INPUT
OPTIONAL COMPUTER
INPUT TO MODIFY
DISCHARGE SIGNAL
OPTIONAL ROOM OR RETURN AIR
CONTROL TO MODIFY
DISCHARGE SIGNAL
Grey
Orange
DISCHARGE
SET POINT
DISCHARGE
A
IR SENSOR
DIP
SWITCHES
Setpoint
1
23456 7

Table of Contents

Related product manuals