EasyManua.ls Logo

epro MMS 6950 W - Hazardous Area Sensor Connections

Default Icon
Print Icon
To Next Page IconTo Next Page
To Next Page IconTo Next Page
To Previous Page IconTo Previous Page
To Previous Page IconTo Previous Page
Loading...
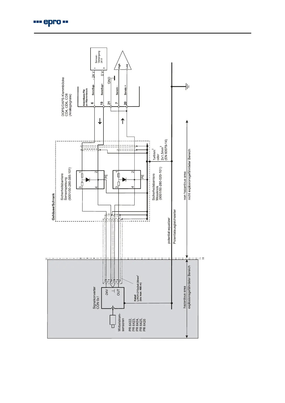
Operating Kit MMS 6950 W Page 45
Hardware Installation DOPS and DAPS
Fig. 12 Connection of measuring chains in hazardous areas
Anschluss von Messketten in explosionsgefährdeten Bereichen
P
E
o
d
.
S
E

Table of Contents