EasyManua.ls Logo

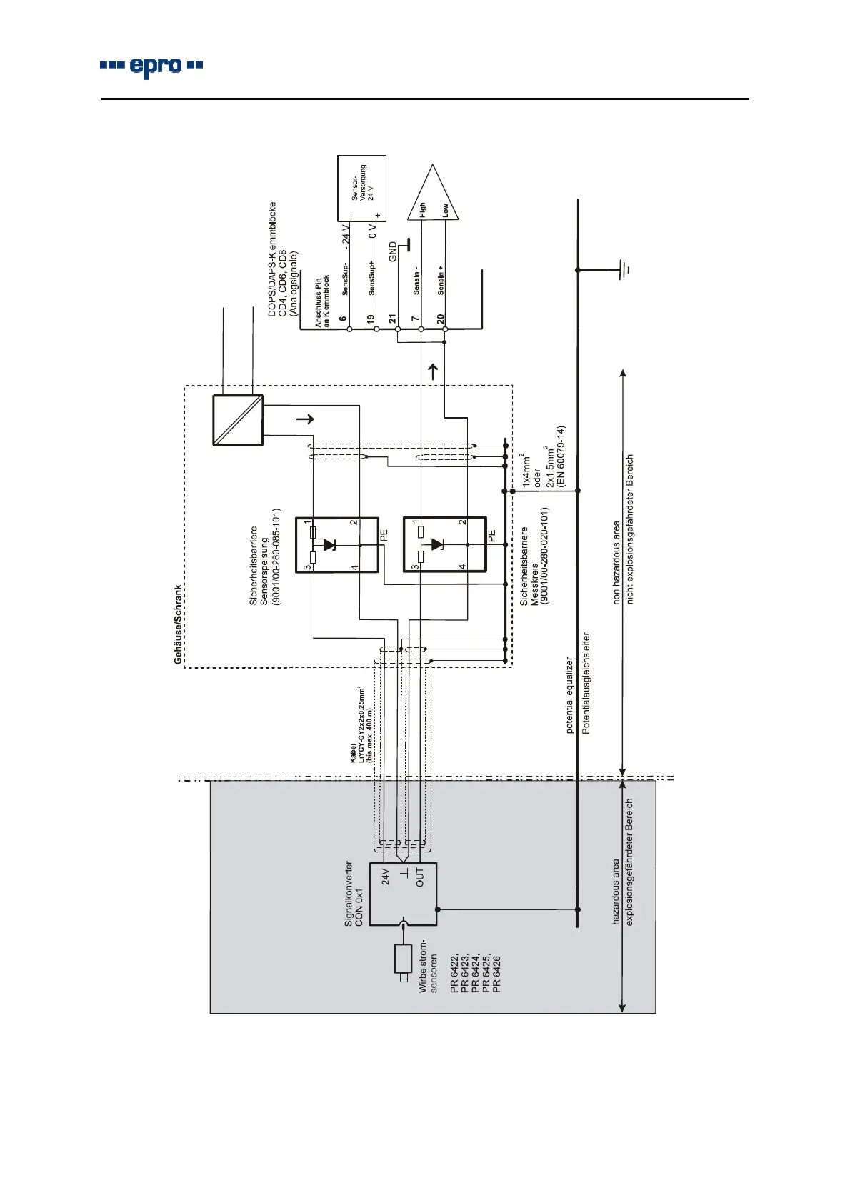
epro MMS 6950 W - Fig. 14 Anschluss von Wirbelstrommessketten in EX-Bereichen mit Externer Speisung

Default Icon
Print Icon
To Next Page IconTo Next Page
To Next Page IconTo Next Page
To Previous Page IconTo Previous Page
To Previous Page IconTo Previous Page
Loading...
Operating Kit MMS 6950 W Page 47
Hardware Installation DOPS and DAPS
Fig. 14 Anschluss von Wirbelstrommessketten in EX-Bereichen mit externer
Speisung
Connection of measuring chains in hazardous areas with external supply
P
E
o
d
.
S
E
+
-
0
V
-
2
6
.
7
V
I
N
D
C
O
U
T
D
C
+
2
4
V
0
V
D
C
/
D
C
W
a
n
d
l
e
r
S
p
a
n
n
u
n
g
s
v
e
r
s
o
r
g
u
n
g
2
4
V
/
2
6
.
7
V

Table of Contents