EasyManua.ls Logo

Epson CBB - Page 78

Epson CBB
84 pages
Print Icon
To Next Page IconTo Next Page
To Next Page IconTo Next Page
To Previous Page IconTo Previous Page
To Previous Page IconTo Previous Page
Loading...
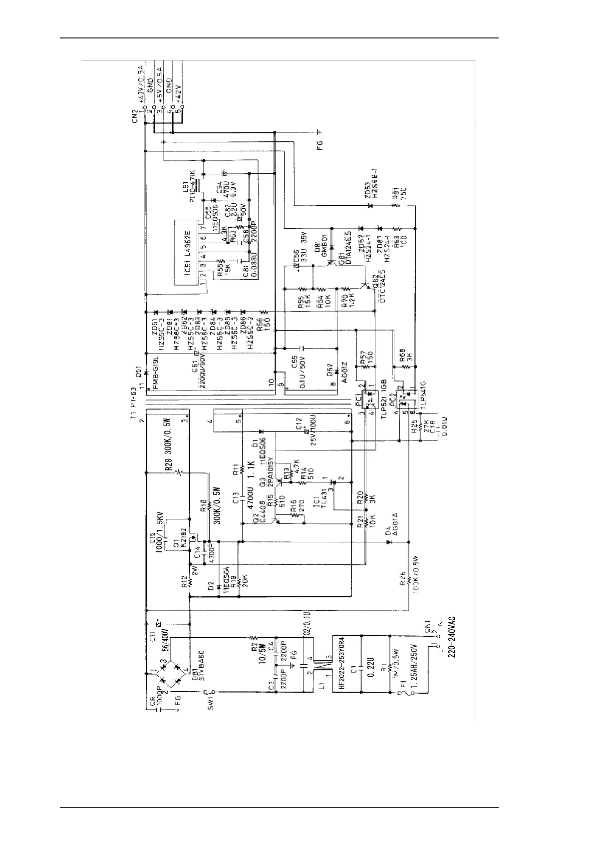
Figure A-3. C160 PSE Board Circuit Diagram
Appendix Epson Stylus Color 200/ Epson Stylus 200
A-6 Rev. A

Table of Contents

Related product manuals