EasyManua.ls Logo

Epson CBB - A.2 Circuit Diagrams

Epson CBB
84 pages
Print Icon
To Next Page IconTo Next Page
To Next Page IconTo Next Page
To Previous Page IconTo Previous Page
To Previous Page IconTo Previous Page
Loading...
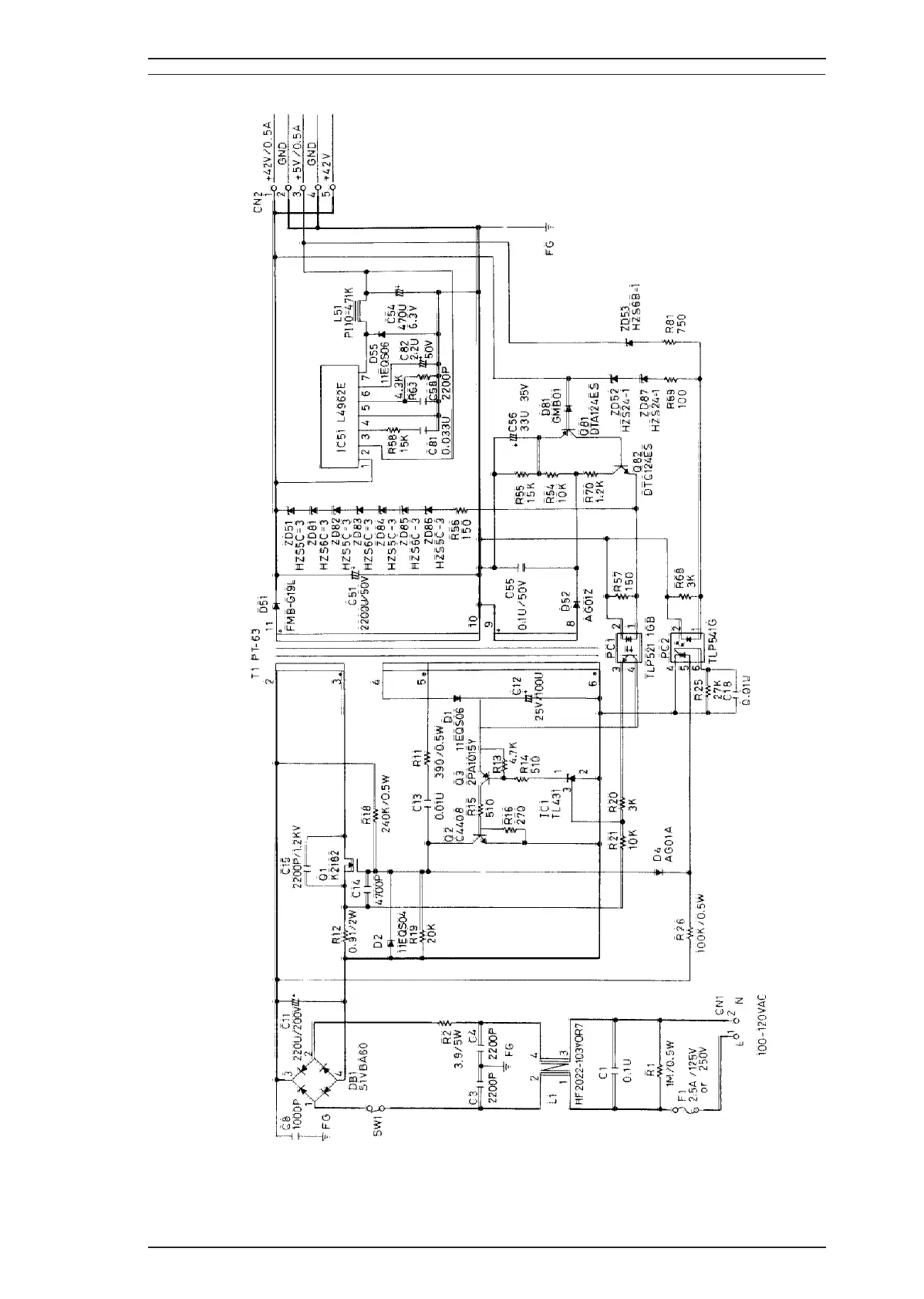
A.2 CIRCUIT DIAGRAM
Figure A-2. C160 PSB Board Circuit Diagram
Epson Stylus Color 200/Epson Stylus 200 Appendix
Rev. A A-5

Table of Contents

Related product manuals