EasyManua.ls Logo

Epson EB-E01 - Connecting to a Computer for USB Video and Audio

Epson EB-E01
190 pages
Print Icon
To Next Page IconTo Next Page
To Next Page IconTo Next Page
To Previous Page IconTo Previous Page
To Previous Page IconTo Previous Page
Loading...
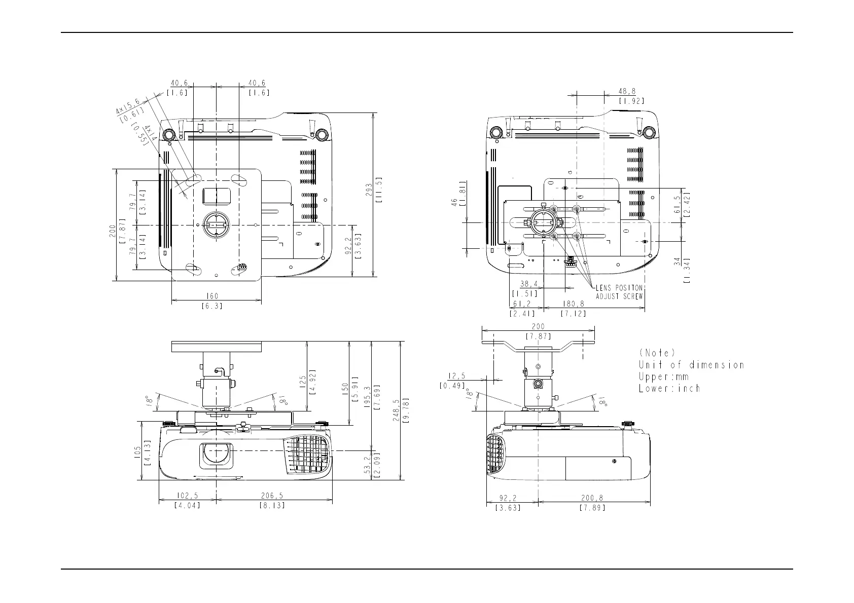
EB-E01 series Product Description INTERNAL USE ONLY
SEIKO EPSON 28 Revision A
EB-FH52/972/982W/992F (ELPMB23)

Table of Contents

Other manuals for Epson EB-E01

Related product manuals