EasyManua.ls Logo

Epson T6-602S - Page 84

Epson T6-602S
128 pages
To Next Page IconTo Next Page
To Next Page IconTo Next Page
To Previous Page IconTo Previous Page
To Previous Page IconTo Previous Page
Loading...
2. Installation
66 Safety and Installation (T, VT / EPSON RC+ 7.0) Rev.15
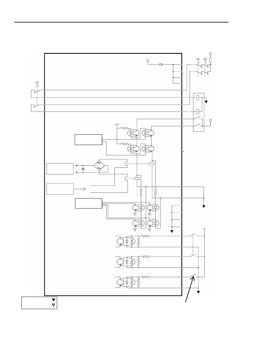
Example 2: External safety relay typical application
* For the protection of the
emergency stop circuit,
the fuses capacity
should be as follows:
- Meets the capacity of
the external safety
relay
- 0.4A or less
External safety relay
(The above diagram
is simplified for
representation.)
External
+24V
GND
+24V
+5V
Safety Door input 1
Safety Door input 2
Latch Release input
AC Input
Motor Driver
External +24V
Fuse
+
External
+24V
Manipulator
9
10
22
23
1
2
14
15
3
16
4
17
11
12
24
25
7
8
20
21
18
19
+
Main Circuit
Control
Emergency
Stop switch of
an Operation
Unit (TP)
Emergency
Stop detection
External
+24V
Latch release input Close :Latch off
Open :Latch on
External +24V
GND
NOTE:+24V GND
+ 5V GND
External
+24V
GND

Table of Contents

Related product manuals