EasyManua.ls Logo

ESAB A6 GMD - Page 7

ESAB A6 GMD
36 pages
Print Icon
To Next Page IconTo Next Page
To Next Page IconTo Next Page
To Previous Page IconTo Previous Page
To Previous Page IconTo Previous Page
Loading...
dga9d005
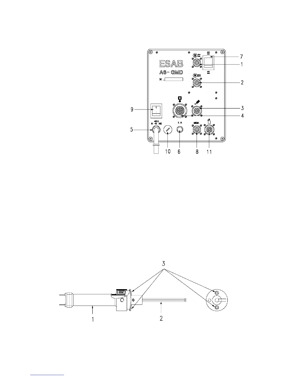
-- 7 --cga9d1ea
Joint tracking unit -- rear panel
1. Socket, 4--way
for connection of horizontal slide motor
2. Socket, 4--way
for connection of vertical slide motor
3. Socket, 8--way
for connection of guide finger
4. Socket, 23--way
for connection of control unit
5. Power supply, 42 V
6. Control circuit fuse,
10 A anti--surge (1 pc)
7. Switch
for selection of horizontal slide
direction of travel
8. Socket, 3--way
for joint memory unit (MEMO)
9. Switch
Power supply, On/Off
10. Spare socket
11. Socket, 8--way
for connection of Limit switch
Sensor
1. Sensor with cable connection for joint tracking unit and fixing device in front for the fit-
ting of different sensor fingers.
2. Sensor fingers.
3. 2 stop screws for adjustment of the horizontal flexibility of the of the fingers. T he screws
are intended for the setting of the different joint types.
dga9d014

Related product manuals