EasyManua.ls Logo

ESAB Aristo Robust Feed U6 - Page 39

ESAB Aristo Robust Feed U6
48 pages
Print Icon
To Next Page IconTo Next Page
To Next Page IconTo Next Page
To Previous Page IconTo Previous Page
To Previous Page IconTo Previous Page
Loading...
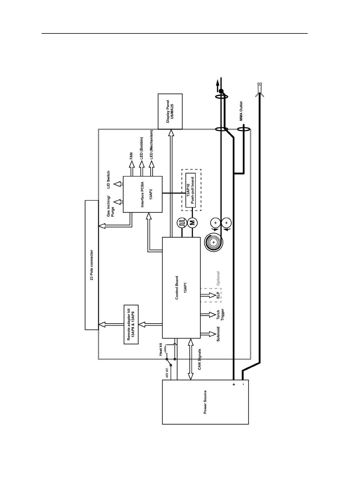
DIAGRAM
0446 253 101
- 39 -
© ESAB AB 2020
Robust Feed U6/Pulse Tweco Push Pull