EasyManua.ls Logo

ESAB Caddy 130 - Gate Circuit Operation

ESAB Caddy 130
36 pages
Print Icon
To Next Page IconTo Next Page
To Next Page IconTo Next Page
To Previous Page IconTo Previous Page
To Previous Page IconTo Previous Page
Loading...
-- 1 8 --
cmha2de1
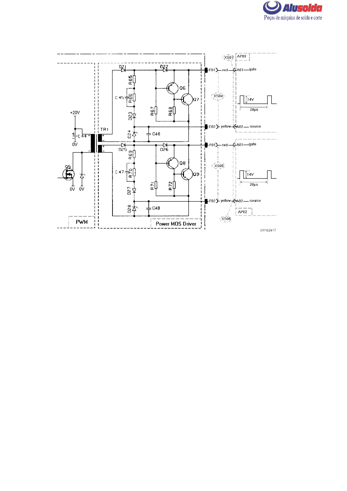
9 Gate circuit
The driver stage for the MOSFET transistors provides control pulses to the gate--source
of the power transistors. There is a separate output for each switching unit.
All gate circuits are galvanically isolated from other circuits on the board.
The insulation voltage between the pulse width modulator and the gate circuits is 4 kV.
WARNING: the gate circuits are at mains voltage.
The two gate circuits are identical, and so only one is described here.
When Q5 conducts, a voltage pulse appears at the secondary winding of the
transformer. This pulse is led via D21, D22 and connection E01 to the gate of the
MOSFET transistors. It returns via the source, connection E02, D24 and C46. The peak
gate -- source voltage is 14 V.
The presence of the gate pulse between connections E01 and E02 charges capacitor
C46 to 3.3 V. When Q5 is turned off, the voltage from the pulse transformer changes
polarity, resulting in transistors Q6 and Q7 starting to conduct. T his results in a gate
voltage of --3.3 V, turning off the MOSFET t ransistors.

Related product manuals