EasyManua.ls Logo

Esoteric K-05XD - Page 40

Esoteric K-05XD
96 pages
Print Icon
To Next Page IconTo Next Page
To Next Page IconTo Next Page
To Previous Page IconTo Previous Page
To Previous Page IconTo Previous Page
Loading...
40
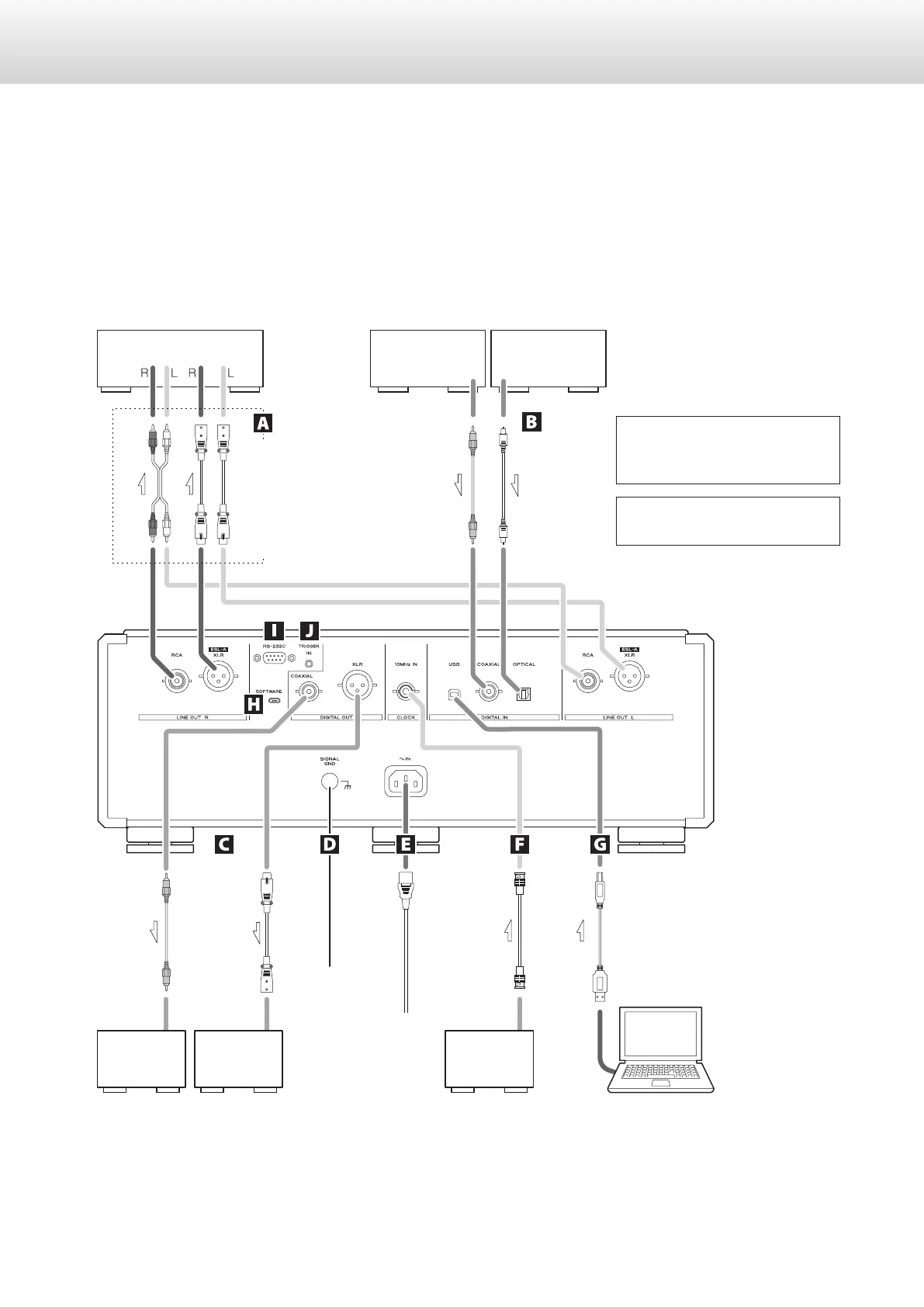
Branchements (suite)
V
Précautions lors des branchements
o Faites tous les autres branchements avant de brancher la fiche d’alimentation dans une prise secteur.
o Lisez les modes d’emploi de tous les appareils qui seront connectés et suivez leurs instructions.
La sortie numérique peut être réglée
sur XLR ou COAX (page55).
La polarité des prises XLR peut être
réglée pour avoir comme point
chaud la broche 2 ou 3 (page55).
Câbles RCA
Câbles XLR
Câble USB
Faites les branchements
au moyen d’un jeu d’un
seul et même type.
Sélectionnez la sortie
analogique (AOUT>) en
fonction du type de prise
utilisé (page55).
Câble numérique
coaxial RCA
Câble numérique
optique
Cordon d’alimentation
secteur fourni
Câble numérique
coaxial RCA
Câble coaxial BNC
Amplificateur stéréo
OrdinateurAutres appareils numériques
(convertisseur N/A,
amplificateur AV,
enregistreur, etc.)
Équipement
à sortie audio
numérique
Équipement
à sortie audio
numérique
Appareil produisant un
signal d’horloge
(G-01X etc.)
ENTRÉE
NUMÉRIQUE
(COAXIALE)
ENTRÉE
NUMÉRIQUE
(XLR)
SORTIE
NUMÉRIQUE
(COAXIALE)
SORTIE
NUMÉRIQUE
(OPTIQUE)
10MHz OUT
Entrée audio
(LINE IN, etc.)
Câble numérique XLR
c
Prise secteur

Table of Contents

Related product manuals