EasyManua.ls Logo

ESPEC 17MB95S - CI Module Problem

Default Icon
54 pages
Print Icon
To Next Page IconTo Next Page
To Next Page IconTo Next Page
To Previous Page IconTo Previous Page
To Previous Page IconTo Previous Page
Loading...
42
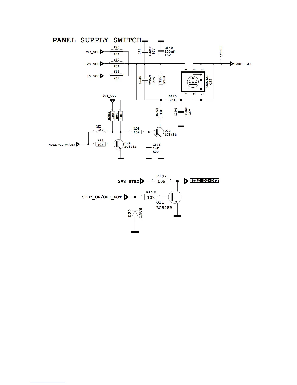
STBY_ON/OFF_NOT should be low for tv on condition, please check Q11’s collector.
B. CI Module Problem
Problem: CI is not working when CI module inserted.
Possible couses: Supply, suply control pin, detect pins, mechanical positions of pins.
CI supply should be 5V when CI module inserted. If it is not 5V please check
CI_PWR_CTRL, this pin should be low.