EasyManua.ls Logo

ESPEC 17MB95S - General Block Diagram

Default Icon
54 pages
Print Icon
To Previous Page IconTo Previous Page
To Previous Page IconTo Previous Page
Loading...
54
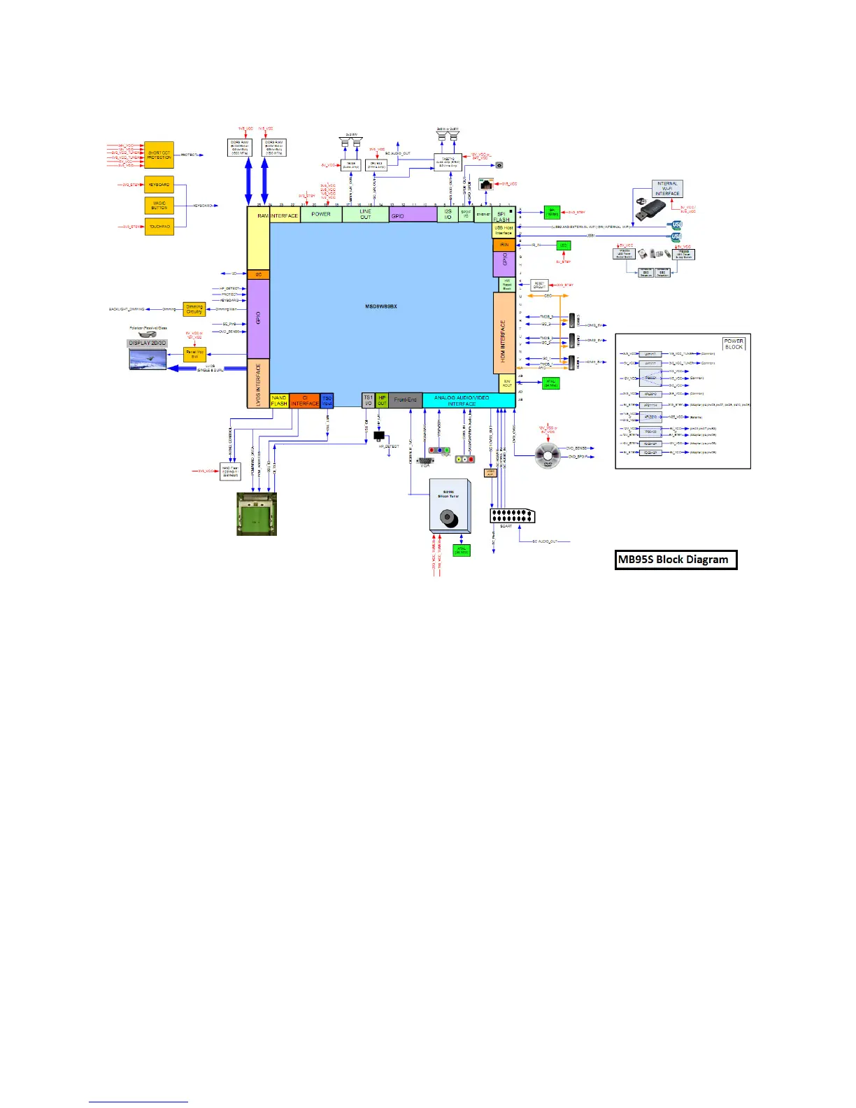
15. General Block Diagram