EasyManua.ls Logo

ESPEC 17MB95S - Standby On;Off Problem; No Signal Problem; Service Menu Settings

Default Icon
54 pages
Print Icon
To Next Page IconTo Next Page
To Next Page IconTo Next Page
To Previous Page IconTo Previous Page
To Previous Page IconTo Previous Page
Loading...
48
H. Standby On/Off Problem
Problem: Device can not boot, TV hangs in standby mode.
There may be a problem about power supply. Check main supplies with a voltage-meter. Also
there may be a problem about SW. Try to update TV with latest SW. Additionally it is good
to check SW printouts via Teraterm. These printouts may give a clue about the problem. You
can use Scart-1 for terraterm connection.
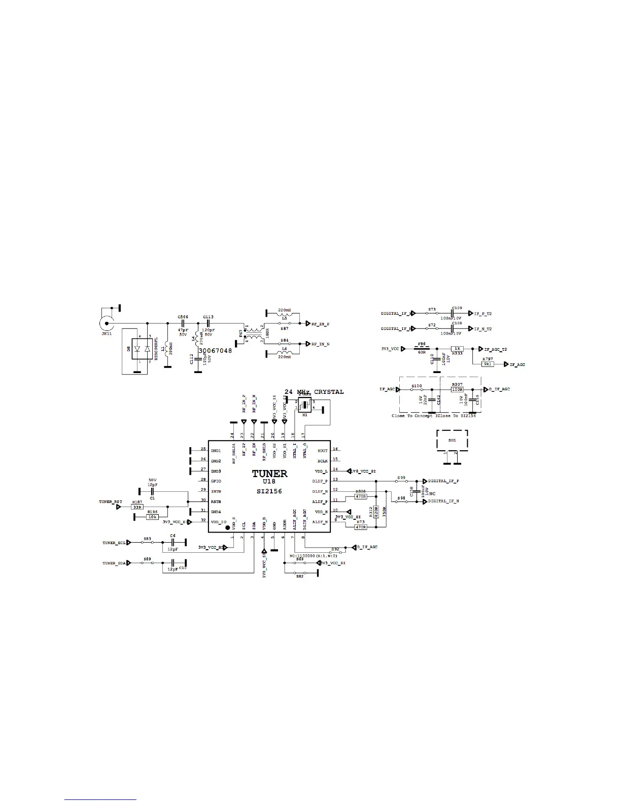
İ. No Signal Problem
Problem: No signal in TV mode.
Check tuner supply voltage; 5V_VCC, 3V3_TUNER and 1V8_TUNER. Check tuner options
are correctly set in Service menu. Check AGC voltage at IF_AGC pin of tuner.
14. Service Menu Settings
In order to reach service menu, first Press “MENU” buton, then write 4725” by uisng
remote controller.
You can see the service menu main screen below. You can check SW releases by using this
menu. In addition, you can make changes on video, audio etc. by using video settings, audio
settings titles.