EasyManua.ls Logo

Espina XTP121 - Toimituksen Sisältö

Espina XTP121
Print Icon
To Next Page IconTo Next Page
To Next Page IconTo Next Page
To Previous Page IconTo Previous Page
To Previous Page IconTo Previous Page
Loading...
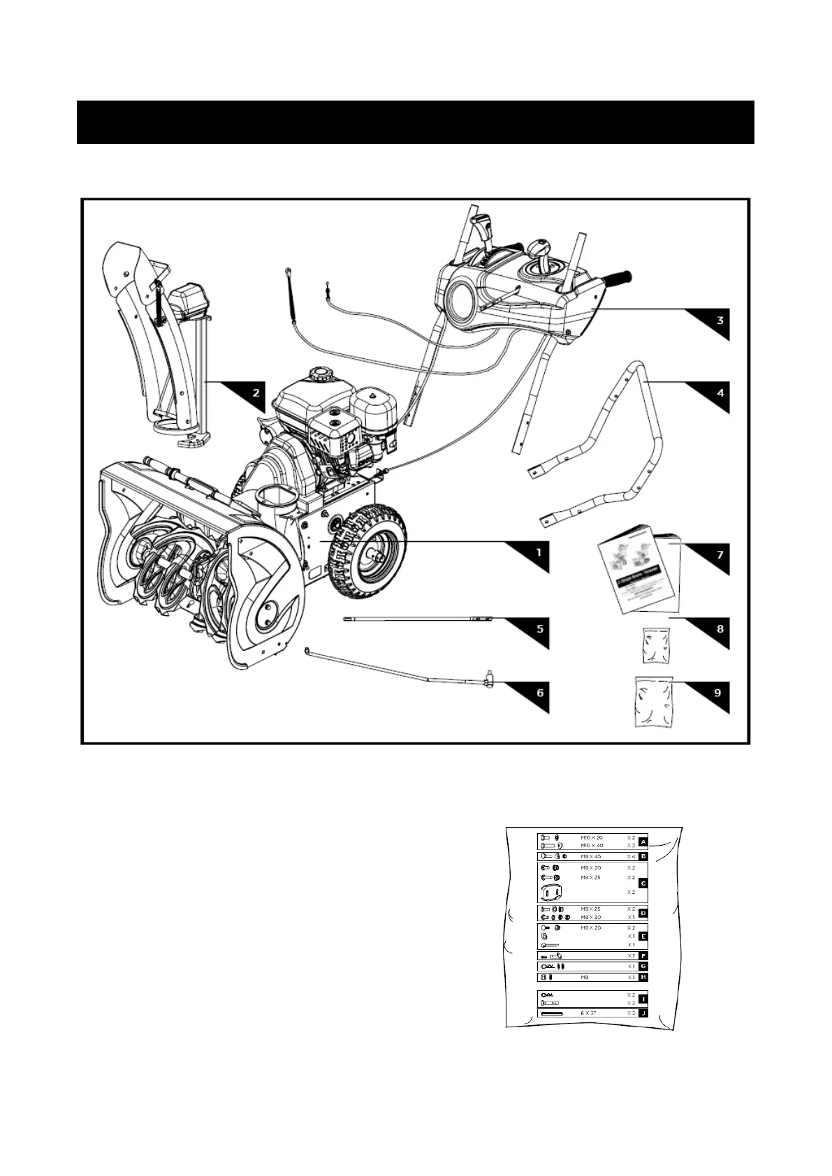
TOIMITUKSEN SISÄLTÖ
Lumilinko toimitetaan osittain asennettuna ja huolellisesti pakattuna laatikkoon. Kun osat on poistettu
laatikosta, sinulla tulisi olla:
Kaikki viittaukset oikeaan ja vasempaan ovat käyttäjän näkökulmasta katsottuna.
1. Lumilinkoyksikkö
2. Poistokouru
3. Kahvat
4. Alempi kahvavarsi
5. Pitkä poistokourun tanko
6. Vaihtotanko
7. Käyttöohje ja englanninkielinen moottorin ohje
8. Moottorilaitteiston pussi
9. Lumilingon laitteiston pussi, jossa