EasyManua.ls Logo

Estella 348DSC67 - Page 14

Estella 348DSC67
18 pages
Print Icon
To Next Page IconTo Next Page
To Next Page IconTo Next Page
To Previous Page IconTo Previous Page
To Previous Page IconTo Previous Page
Loading...
13.
FLOOR MODEL
PARTS DIAGRAMS
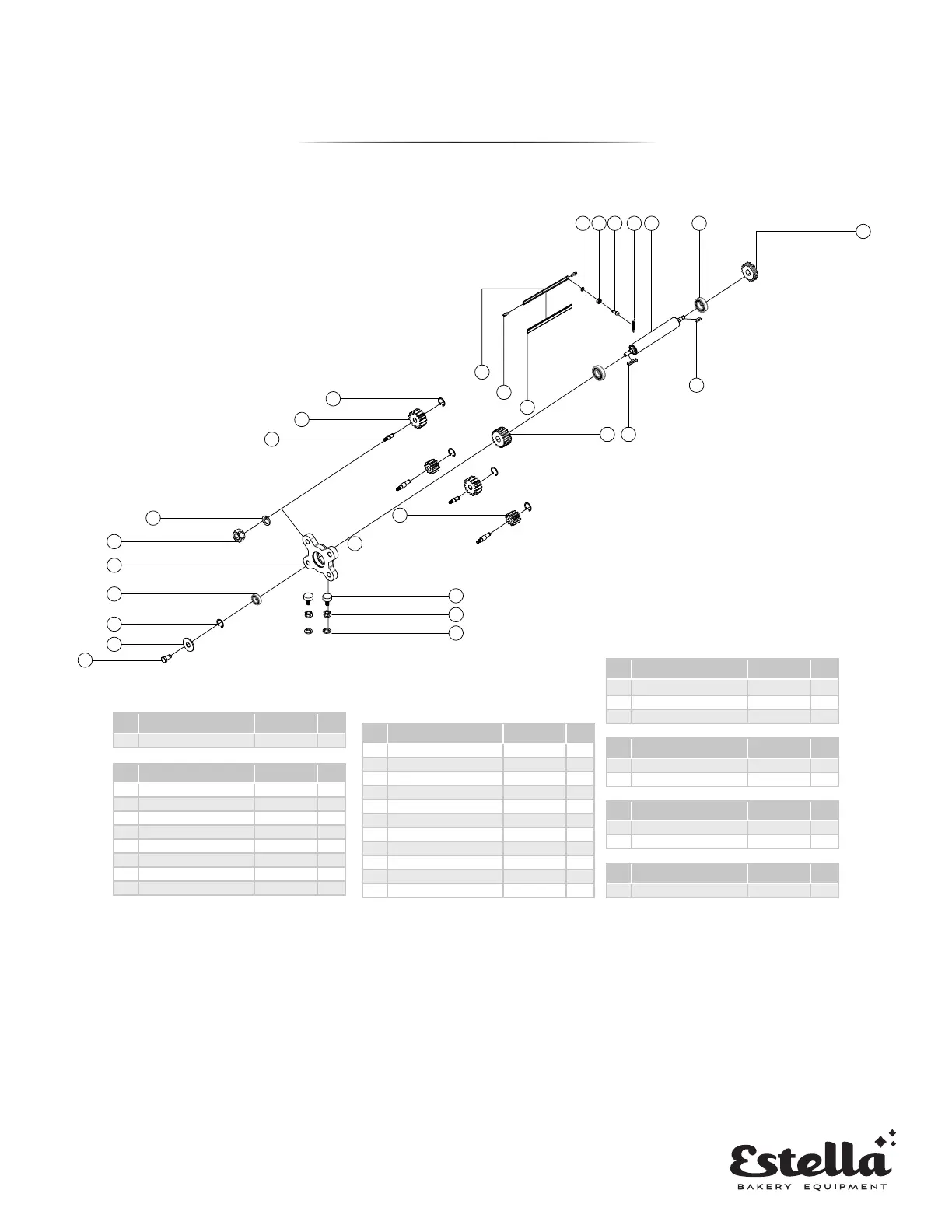
BOTTOM ROLLER ASSEMBLY
122
111 110 109 108 107 106
102
123
124
125
126
127
128
129
130
132
134
135
136
162
161
160
177
174173
167
166
:
:
:
:
:
:
SECTION NAME
DRW No.
Designer
Check
Review
Scale
Date
-- --
-- --
-- --
-- --
-- --
-- --
-- --
-- --
-- --
-- --
-- --
-- --
--
--
--
--
--
--
--
--
--
--
--
--
--
--
--
--
--
--
--
--
--
--
--
--
--
DESCRIPTION
VERSION DESRIPTION
DATE
1st Drawing 2019/05/19A
B
C
D
E
F
DESIGNER
PRODUCT NAME
BOTTOM
ROLLER
ASSEMBLY
FLOOR TYPE
DOUGH SHEETER
TT-D19A-1
TT-D19B-1
BOTTOM
ROLLER
ASSEMBLY
No Description Code
Qty
102 Sprocket (double row) TT521490 1
No Description Code
Qty
106 6206 bearing 1
107 Roller (below) TT520430 1
108 Tension spring 1.6x12x43 1
109 Cross pan head bolt M6x30L 1
110 M6 nut 1
111 6 spring pad 1
122 Upper knife cover TT520680 1
123 Positioning pin TT52066-2 1
No Description Code
Qty
160 8 spring pad 1
161 M8 nut 1
162 Plastic head screw M8x37L 1
No Description Code
Qty
166 Plastic gear shaft (below) TT520240 1
167 Gear M3 10T TT520260 1
No Description Code
Qty
173 Gear M3 24T TT520270 1
174 A type 6x6x35 at key 1
No Description Code
Qty
177 C type 6x6x25 at key 1
No Description Code
Qty
124 Upper blade TT520670 1
125 13 Retaining ring 1
126 Gear M3 15T TT520250 1
127 Plastic gear shaft (top) TT520230 1
128 10 spring pad 1
129 M10 nut 1
130 Adjustment block TT520090 1
132 6005 bearing 1
134 52 hole circlip 1
135 10 at pad 1
136 Hex bolts M10x20L 1