EasyManua.ls Logo

Estun Summa ED3S - Page 36

Estun Summa ED3S
346 pages
Print Icon
To Next Page IconTo Next Page
To Next Page IconTo Next Page
To Previous Page IconTo Previous Page
To Previous Page IconTo Previous Page
Loading...
Summa Series Servodrive Product Manual
Wiring and Connecting
Document Version: V1.01
(Dec, 2019)
© 2019 ESTUN Automation Co., Ltd. All right reserved.
3-11
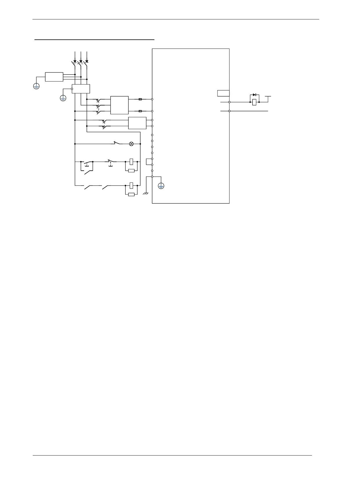
Wiring Example for DC Power Supply Input
Drive
KM[2]
KM[1]
QF[1]
R S T
SA[3]
FLT[1]
P2
N
L1C
L2C
Ry[1]
PL[1]
KM[1]
SA[1]
Power
OFF
Power
ON
KM[1]
Ry[1]
KM[2]
SA[2]
KM[1]
L2
L3
L1
(For alarm
display)
B1
B2
FU[1]
AC/DC
FU[2]
AC/DC
B3
P1
+
-
ALM-
ALM+8
9
D[1]
+24V
0V
CN1
Ry[1]
QF[1]:
SA[1]:
SA[2]:
SA[3]:
FU[1]:
FU[2]:
FLT[1]:
KM[1]:
KM[2]:
Ry[1]:
PL[1]:
D[1]:
Circuit Breaker
Surge Absorber 1
Surge Absorber 2
Surge Absorber 3
Fuse 1
Fuse 2
Noise Filter
Magnetic Contactor 1
(for control power supply)
Magnetic Contactor 2
(for main circuit power supply)
Relay
Indicator Lamp
Flywheel Diode

Table of Contents

Related product manuals